最新录用栏目展示本刊经同行评议确定正式录用的文章,这些文章目前处在编校过程,尚未确定卷期及页码,但可以根据DOI进行引用。
显示方式:
优先发表栏目展示本刊经同行评议确定正式录用的文章,这些文章目前处在编校过程,尚未确定卷期及页码,但可以根据DOI进行引用。
显示方式:
当前状态:
, 最新更新时间: ,
doi: 10.11899/zzfy20240252
摘要:
为了探究碎石粒径变化和大碎石含量对土石混合体抗剪强度参数内摩擦角的影响特征,本文采用离散元PFC 3D,并基于西南某泥石流堆积体级配特征,对其粒径大小从10~60 mm和大粒径碎石含量从10%~90%等试样构建岩土体柔性三轴数值模型共计44个,开展数值试验分析。模拟结果表明:对比相同粒径的均匀圆形颗粒模型与不规则碎石模型,其内摩擦角随着粒径的增大呈现出增大趋势,且后者内摩擦角大于前者,最大内摩擦角分别达到39.05°和43.27°;当碎石粒径<30 mm时内摩擦角的增幅不明显;相同粒径条件下,碎石模型的内摩擦角大于均匀圆形颗粒模型,揭示了内摩擦角会受到碎石颗粒形状的影响;大碎石含量对岩土体内摩擦角起着一定的控制作用,对比混合粒径碎石模型和土石混合模型,其内摩擦角随大碎石含量的增大而增大,前者内摩擦角的增幅小于后者,当大碎石含量>50%时内摩擦角的增幅较为明显,两者内摩擦角的增幅分别为8.34°和14.08°;当粒径分布特征指标中的限制粒径d60在10~30 mm,其内摩擦角随d60的增大而增大,当d60>30 mm后,其内摩擦角随d60的增大而减小。
为了探究碎石粒径变化和大碎石含量对土石混合体抗剪强度参数内摩擦角的影响特征,本文采用离散元PFC 3D,并基于西南某泥石流堆积体级配特征,对其粒径大小从10~60 mm和大粒径碎石含量从10%~90%等试样构建岩土体柔性三轴数值模型共计44个,开展数值试验分析。模拟结果表明:对比相同粒径的均匀圆形颗粒模型与不规则碎石模型,其内摩擦角随着粒径的增大呈现出增大趋势,且后者内摩擦角大于前者,最大内摩擦角分别达到39.05°和43.27°;当碎石粒径<30 mm时内摩擦角的增幅不明显;相同粒径条件下,碎石模型的内摩擦角大于均匀圆形颗粒模型,揭示了内摩擦角会受到碎石颗粒形状的影响;大碎石含量对岩土体内摩擦角起着一定的控制作用,对比混合粒径碎石模型和土石混合模型,其内摩擦角随大碎石含量的增大而增大,前者内摩擦角的增幅小于后者,当大碎石含量>50%时内摩擦角的增幅较为明显,两者内摩擦角的增幅分别为8.34°和14.08°;当粒径分布特征指标中的限制粒径d60在10~30 mm,其内摩擦角随d60的增大而增大,当d60>30 mm后,其内摩擦角随d60的增大而减小。
当前状态:
, 最新更新时间: ,
doi: 10.11899/zzfy20240269
摘要:
长周期地震动中显著的低频成分对复杂、大型柔性结构的动力响应有着不可忽视的影响。因此,合理地随机建模长周期地震动是进行大型柔性结构抗震分析与设计的关键。然而,现有的模型未能充分考虑长周期地震动的多维性,并且缺乏与规范一致的推荐参数值。为了应对这一挑战,本研究提出了一种方法,基于实测地震动数据,采用经验模态分解(EMD)技术,将长周期地震动分解为高频和低频成分,以便独立研究其频谱特性。这一方法为理解长周期地震动复杂的频谱特性奠定了基础。接着,本文初步识别并统计分析了高低频成分的演化功率谱密度(EPSD)函数参数,进一步揭示了长周期地震动的频谱特性及其变化规律。在此基础上,利用本征正交分解(POD)方法,分别模拟了不同方向的高频和低频成分样本,并重构了三维长周期地震动过程。数值算例与验证结果显示,所生成的代表性样本能够真实反映长周期、三维地震动的动力学特征,具有较高的工程准确性与实用性。本研究提出的长周期地震动随机模型不仅能够有效捕捉地震动的低频特征,初步探索了对长周期地震动工程特征随机建模,还为后续的精细化研究提供了监视的理论依据和技术支撑。
长周期地震动中显著的低频成分对复杂、大型柔性结构的动力响应有着不可忽视的影响。因此,合理地随机建模长周期地震动是进行大型柔性结构抗震分析与设计的关键。然而,现有的模型未能充分考虑长周期地震动的多维性,并且缺乏与规范一致的推荐参数值。为了应对这一挑战,本研究提出了一种方法,基于实测地震动数据,采用经验模态分解(EMD)技术,将长周期地震动分解为高频和低频成分,以便独立研究其频谱特性。这一方法为理解长周期地震动复杂的频谱特性奠定了基础。接着,本文初步识别并统计分析了高低频成分的演化功率谱密度(EPSD)函数参数,进一步揭示了长周期地震动的频谱特性及其变化规律。在此基础上,利用本征正交分解(POD)方法,分别模拟了不同方向的高频和低频成分样本,并重构了三维长周期地震动过程。数值算例与验证结果显示,所生成的代表性样本能够真实反映长周期、三维地震动的动力学特征,具有较高的工程准确性与实用性。本研究提出的长周期地震动随机模型不仅能够有效捕捉地震动的低频特征,初步探索了对长周期地震动工程特征随机建模,还为后续的精细化研究提供了监视的理论依据和技术支撑。
当前状态:
, 最新更新时间: ,
doi: 10.11899/zzfy20240264
摘要:
岷漳地震强地震动加速度峰值较小,然而震害却相对严重,局部黄土场地震害及地震动放大效应显著。基于岷漳地震强地震动记录,开展幅值、频谱和持时三要素特征分析,探讨震中距、场地类别、土层条件等对地震动特征参数的影响规律,从地震动特征角度分析此次地震震害相对较重的原因及对震害的潜在影响。结果表明:(1)III类场地与I类场地相比,峰值加速度放大2.1~4.6倍,持时延长10~43 s,反应谱在周期0.18~0.86 s时,谱值较大;(2)黄土场地与非黄土场地相比,峰值加速度及峰值速度分别放大1.5~3.7倍和1.55~1.8倍,持时延长8~35 s,反应谱在周期大于0.32 s时,谱值明显较大,存在显著的黄土场地地震动放大效应;(3)设计地震分组为第二组的II类黄土场地,加速度反应谱的平均曲线、拟合曲线在周期0.8~3.0 s时与规范设计谱的谱值差大于20%。
岷漳地震强地震动加速度峰值较小,然而震害却相对严重,局部黄土场地震害及地震动放大效应显著。基于岷漳地震强地震动记录,开展幅值、频谱和持时三要素特征分析,探讨震中距、场地类别、土层条件等对地震动特征参数的影响规律,从地震动特征角度分析此次地震震害相对较重的原因及对震害的潜在影响。结果表明:(1)III类场地与I类场地相比,峰值加速度放大2.1~4.6倍,持时延长10~43 s,反应谱在周期0.18~0.86 s时,谱值较大;(2)黄土场地与非黄土场地相比,峰值加速度及峰值速度分别放大1.5~3.7倍和1.55~1.8倍,持时延长8~35 s,反应谱在周期大于0.32 s时,谱值明显较大,存在显著的黄土场地地震动放大效应;(3)设计地震分组为第二组的II类黄土场地,加速度反应谱的平均曲线、拟合曲线在周期0.8~3.0 s时与规范设计谱的谱值差大于20%。
当前状态:
, 最新更新时间: ,
doi: 10.11899/zzfy20240265
摘要:
2023年9月9日在摩洛哥高阿特拉斯山脉发生MW 6.8地震,造成约3000 人死亡,5000 多人受伤。该区域处于阿尔卑斯-喜马拉雅地震带,是一个地壳变形活跃的区域,长期受到板块碰撞和断层活动的影响。为了研究此次地震的同震变形特征与机制,本文基于InSAR技术处理升降轨SAR资料,并开展了模型反演研究。InSAR同震形变场结果显示,此次地震以垂向变形为主,是一次典型的逆冲型地震,视线向地表最大相对位移约为15~20 cm;同震位错反演结果显示,断层滑动主要集中在15~35 km深度范围,最大滑动量为1.13 m,且集中在约23 km深度处。累积地震矩为2.2×1019 N·m,矩震级为6.8级。本文研究揭示了此次地震同震变形与断层滑动分布,丰富了缓慢变形山区的强震震例,为地震破坏正演模型提供了基础,并为研究巨大灾害损失成因提供了支持。
2023年9月9日在摩洛哥高阿特拉斯山脉发生MW 6.8地震,造成约
当前状态:
, 最新更新时间: ,
doi: 10.11899/zzfy20240262
摘要:
据西藏地震台网测定,2024年10月17日00时至2024年12月9日10时,西藏墨竹工卡记录共发生18次3.0级及以上地震,受此震群影响,震区内两种主要结构房屋出现不同程度破坏。通过实地调查,对受灾地区内石木结构和框架结构房屋的震害特征进行了总结和分析,发现造成石木结构房屋受损严重的主要原因是房屋自身的设计不利于抗震、施工质量差、建造年代久远、短时间内地震频发以及场地效应加重震害等,而框架结构受损的主要原因是施工质量不达标、地震力的持续作用和场地效应。本文对两种结构的震害现象及原因进行了详细描述,并提出针对性的后续建议。通过本次地震实地调查可知,尽管震级不大,但连续多次的地震作用仍然会对建筑物造成一定震害,应加强本地现有传统民居的抗震性能,避免出现小震大灾的现象,同时公共建筑应加装减隔震设备。
据西藏地震台网测定,2024年10月17日00时至2024年12月9日10时,西藏墨竹工卡记录共发生18次3.0级及以上地震,受此震群影响,震区内两种主要结构房屋出现不同程度破坏。通过实地调查,对受灾地区内石木结构和框架结构房屋的震害特征进行了总结和分析,发现造成石木结构房屋受损严重的主要原因是房屋自身的设计不利于抗震、施工质量差、建造年代久远、短时间内地震频发以及场地效应加重震害等,而框架结构受损的主要原因是施工质量不达标、地震力的持续作用和场地效应。本文对两种结构的震害现象及原因进行了详细描述,并提出针对性的后续建议。通过本次地震实地调查可知,尽管震级不大,但连续多次的地震作用仍然会对建筑物造成一定震害,应加强本地现有传统民居的抗震性能,避免出现小震大灾的现象,同时公共建筑应加装减隔震设备。
当前状态:
, 最新更新时间: ,
doi: 10.11899/zzfy20250158
摘要:
2025年3月28日14时20分,缅甸实皆省(21.85°N,95.95°E)发生7.9级强震,震源深度30 km。此次地震引发了大规模建筑物损毁、地表断裂及次生灾害,造成该国及邻国重大人员伤亡和财产损失。本文以曼德勒市为例,详细对比震前和震后遥感影像,通过目视解译,精细判别了建筑物破坏、重大基础设施破坏、次生灾害等,系统评估了灾害损失和地震烈度,浅析了震害原因,讨论了此次地震的经验教训。结果表明:(1)曼德勒市西部地区遥感震害指数为0.67,预估烈度可能达10度,中西部地区遥感震害指数为0.52,预估烈度可能达9度,中部地区遥感震害指数为0.35,预估烈度可能达8度,东部地区遥感震害指数为0.27,预估烈度7~8度;(2)人员伤亡可能会集中在西部地区和中部地区,东部地区可能会有极少数人员伤亡情况;(3)高分遥感影像为此次地震灾情评估提供了高精度、动态化的数据支撑,评估结果与相关报道基本相符。研究结果有助于判断受灾情况,为震后恢复重建提供科学依据。
2025年3月28日14时20分,缅甸实皆省(21.85°N,95.95°E)发生7.9级强震,震源深度30 km。此次地震引发了大规模建筑物损毁、地表断裂及次生灾害,造成该国及邻国重大人员伤亡和财产损失。本文以曼德勒市为例,详细对比震前和震后遥感影像,通过目视解译,精细判别了建筑物破坏、重大基础设施破坏、次生灾害等,系统评估了灾害损失和地震烈度,浅析了震害原因,讨论了此次地震的经验教训。结果表明:(1)曼德勒市西部地区遥感震害指数为0.67,预估烈度可能达10度,中西部地区遥感震害指数为0.52,预估烈度可能达9度,中部地区遥感震害指数为0.35,预估烈度可能达8度,东部地区遥感震害指数为0.27,预估烈度7~8度;(2)人员伤亡可能会集中在西部地区和中部地区,东部地区可能会有极少数人员伤亡情况;(3)高分遥感影像为此次地震灾情评估提供了高精度、动态化的数据支撑,评估结果与相关报道基本相符。研究结果有助于判断受灾情况,为震后恢复重建提供科学依据。
当前状态:
, 最新更新时间: ,
doi: 10.11899/zzfy20250001
摘要:
在季节冻土区,桥梁结构的抗震设计面临复杂挑战,主要原因在于地震动的不确定性以及冻融效应对土体-桩-桥梁相互作用的影响。本文改进并验证了现有的桩-土相互作用模型,并基于该模型分析了在VIII度随机地震作用下桩基础公路桥梁的动力响应与抗震可靠度。采用概率密度演化方法和等价极值分布理论,选取水平相对位移转角作为桥墩动力性能评价指标,对100次随机地震样本进行结构动力响应分析。结果表明,不同地震时程下桥墩的水平位移差异显著,1号桥墩的位移大于2号桥墩位移,表明1号桥墩更易受到地震损害,这主要是由于两者的结构形式和几何尺寸不同。此外,季节冻土层对桥梁的位移响应影响较大,通常能减小桥墩的水平位移,但在特定情况下则可能增加位移。2号桥墩在随机地震作用下表现出较小的位移转角,抗震性能优于1号桥墩。抗震可靠度分析结果表明,季节冻土层对桥梁的抗震性能具有积极作用,为季节冻土区桩基础公路桥梁的抗震设计提供了理论依据。
在季节冻土区,桥梁结构的抗震设计面临复杂挑战,主要原因在于地震动的不确定性以及冻融效应对土体-桩-桥梁相互作用的影响。本文改进并验证了现有的桩-土相互作用模型,并基于该模型分析了在VIII度随机地震作用下桩基础公路桥梁的动力响应与抗震可靠度。采用概率密度演化方法和等价极值分布理论,选取水平相对位移转角作为桥墩动力性能评价指标,对100次随机地震样本进行结构动力响应分析。结果表明,不同地震时程下桥墩的水平位移差异显著,1号桥墩的位移大于2号桥墩位移,表明1号桥墩更易受到地震损害,这主要是由于两者的结构形式和几何尺寸不同。此外,季节冻土层对桥梁的位移响应影响较大,通常能减小桥墩的水平位移,但在特定情况下则可能增加位移。2号桥墩在随机地震作用下表现出较小的位移转角,抗震性能优于1号桥墩。抗震可靠度分析结果表明,季节冻土层对桥梁的抗震性能具有积极作用,为季节冻土区桩基础公路桥梁的抗震设计提供了理论依据。
当前状态:
, 最新更新时间: ,
doi: 10.11899/zzfy20250017
摘要:
河北省砖混民居房屋存量大且分布范围广,准确掌握其结构特点及抗震能力,对地震灾害评估及应急救援具有重要意义。本文基于对河北省内十个区县2 201栋砖混民居房屋的实地调查数据,总结了河北省砖混民居房屋建造与结构特征,并给出了其抗震能力指数在不同抗震设防烈度下的分布及成因。选取建造年代、横墙间距、房屋宽度、总层数、砂浆种类、有无圈梁、抗震设防烈度和墙体局部尺寸等8个特征值作为输入量。分别采用SVM(Support Vector Machine)、随机森林和XGBoost(eXtreme Gradient Boosting)3种机器学习方法对单体砖混民居房屋抗震能力指数进行预测,并对其预测结果进行分析评价。结果表明,经过超参数优化的随机森林模型预测效果最佳,其决定系数R2达到0.95。同时,通过SHAP分析对8个特征值的重要性进行排序,结果显示抗震设防烈度、砂浆种类和房屋宽度对模型的预测精度影响较高。该模型可实现对单体砖混民居房屋抗震能力的快速评估,研究成果可为河北省民居房屋的地震灾害预评估提供有价值的参考。
河北省砖混民居房屋存量大且分布范围广,准确掌握其结构特点及抗震能力,对地震灾害评估及应急救援具有重要意义。本文基于对河北省内十个区县2 201栋砖混民居房屋的实地调查数据,总结了河北省砖混民居房屋建造与结构特征,并给出了其抗震能力指数在不同抗震设防烈度下的分布及成因。选取建造年代、横墙间距、房屋宽度、总层数、砂浆种类、有无圈梁、抗震设防烈度和墙体局部尺寸等8个特征值作为输入量。分别采用SVM(Support Vector Machine)、随机森林和XGBoost(eXtreme Gradient Boosting)3种机器学习方法对单体砖混民居房屋抗震能力指数进行预测,并对其预测结果进行分析评价。结果表明,经过超参数优化的随机森林模型预测效果最佳,其决定系数R2达到0.95。同时,通过SHAP分析对8个特征值的重要性进行排序,结果显示抗震设防烈度、砂浆种类和房屋宽度对模型的预测精度影响较高。该模型可实现对单体砖混民居房屋抗震能力的快速评估,研究成果可为河北省民居房屋的地震灾害预评估提供有价值的参考。
当前状态:
, 最新更新时间: ,
doi: 10.11899/zzfy20240253
摘要:
地震动的频率成分对结构地震响应有显著的影响。为探究地震动频率成分对结构地震动力响应及TMD减震性能的影响,本文首先基于“3·11”东日本大地震的454条强震动记录,经过基线校正和滤波处理,计算了长周期界定参数βl、地震动平均周期(Tm)、平滑谱卓越周期(To)、平均谱周期(Tavg)。其次,建立了20层钢框架模型,并分析了长周期界定参数βl以及频谱类强度指标之间的相关性,最后,探究了TMD减震效果与频谱类强度指标之间的相关性。结果表明,频率成分对结构位移响应存在显著影响,相比于To和βl,减震效果与表征地震动低频成分的Tm以及Tavg呈现强相关,相关系数均大于0.8,且在中长周期地震动作用下,TMD具有更好的减震效果。相关结论可为结构减震机理以及地震动频率成分对结构动力响应的影响等研究提供参考。
地震动的频率成分对结构地震响应有显著的影响。为探究地震动频率成分对结构地震动力响应及TMD减震性能的影响,本文首先基于“3·11”东日本大地震的454条强震动记录,经过基线校正和滤波处理,计算了长周期界定参数βl、地震动平均周期(Tm)、平滑谱卓越周期(To)、平均谱周期(Tavg)。其次,建立了20层钢框架模型,并分析了长周期界定参数βl以及频谱类强度指标之间的相关性,最后,探究了TMD减震效果与频谱类强度指标之间的相关性。结果表明,频率成分对结构位移响应存在显著影响,相比于To和βl,减震效果与表征地震动低频成分的Tm以及Tavg呈现强相关,相关系数均大于0.8,且在中长周期地震动作用下,TMD具有更好的减震效果。相关结论可为结构减震机理以及地震动频率成分对结构动力响应的影响等研究提供参考。
当前状态:
, 最新更新时间: ,
doi: 10.11899/zzfy20250016
摘要:
震害调查表明,地震中土体液化引发场地发生侧向扩展致使桩基损伤进而耦联上部结构倒塌的案例常有发生,在近滨海地区的地层中更为显著。此外,斜桩与直桩在地震期间表现出不同的震害特征。基于此,采用高效多尺度全耦合三维精细化数值模拟方法,开展了液化侧向扩展场地直斜群桩桥梁体系地震响应研究。采用变渗透系数模型考虑液化过程中渗透系数的变化,引入主-从薄层接触单元模拟桩-土接触面脱离与滑移。研究结果表明:强震激励下,土体液化后场地发生侧向扩展,上坡桩与下坡桩呈现相反的轴向响应。桩基与土体之间出现明显的脱离、滑移,传统的绑定接触不适用于侧向扩展场地。斜桩与直桩在近场表现出不同的变形模式,上部结构沿不同的方向发生弯曲变形。与直桩相比,斜桩表现出更显著的桩钉效应,能够更有效地抵抗场地侧向扩展,明显降低土体、桩基、上部结构水平位移与加速度响应,提高体系抗震性能。但在工程设计中,需要重点关注斜桩体系的竖向位移。
震害调查表明,地震中土体液化引发场地发生侧向扩展致使桩基损伤进而耦联上部结构倒塌的案例常有发生,在近滨海地区的地层中更为显著。此外,斜桩与直桩在地震期间表现出不同的震害特征。基于此,采用高效多尺度全耦合三维精细化数值模拟方法,开展了液化侧向扩展场地直斜群桩桥梁体系地震响应研究。采用变渗透系数模型考虑液化过程中渗透系数的变化,引入主-从薄层接触单元模拟桩-土接触面脱离与滑移。研究结果表明:强震激励下,土体液化后场地发生侧向扩展,上坡桩与下坡桩呈现相反的轴向响应。桩基与土体之间出现明显的脱离、滑移,传统的绑定接触不适用于侧向扩展场地。斜桩与直桩在近场表现出不同的变形模式,上部结构沿不同的方向发生弯曲变形。与直桩相比,斜桩表现出更显著的桩钉效应,能够更有效地抵抗场地侧向扩展,明显降低土体、桩基、上部结构水平位移与加速度响应,提高体系抗震性能。但在工程设计中,需要重点关注斜桩体系的竖向位移。
当前状态:
, 最新更新时间: ,
doi: 10.11899/zzfy20250053
摘要:
高铁枢纽车站作为关键交通基础设施,保证其抗震安全具有重要意义。以常德高铁枢纽车站结构为研究对象,选取代表性的强震记录作为基岩地震动,考虑场地工程地质特性、土体非线性和桩-土动力相互作用,采用有限元方法对高铁枢纽车站结构三维体系进行非线性地震反应分析。结果表明:考虑桩-土相互作用的高铁枢纽车站结构体系整体上呈现“上柔下刚”的特点,自振频率相比刚性地基假定的车站结构体系降低;在三种强地震动作用下,场地非线性地震效应显著,地表加速度显著放大,场地土的加速度与位移响应随着埋深增大逐渐减小;桩-土之间相互作用与场地非线性地震效应相关,两者共同变形来抵抗强地震动引起的地基变形,且两者相互作用的强度随着地震动强度的增大而增大;三种地震波中以Kobe波的卓越频率与车站结构体系自振频率最为接近,El Centro波次之;屋盖结构的存在导致车站框架结构地震响应随高度逐渐放大,且屋盖结构与下部框架结构连接处的地震响应放大最大,因此导致车站结构顶层的最大层间位移角大于底层的最大层间位移角。
高铁枢纽车站作为关键交通基础设施,保证其抗震安全具有重要意义。以常德高铁枢纽车站结构为研究对象,选取代表性的强震记录作为基岩地震动,考虑场地工程地质特性、土体非线性和桩-土动力相互作用,采用有限元方法对高铁枢纽车站结构三维体系进行非线性地震反应分析。结果表明:考虑桩-土相互作用的高铁枢纽车站结构体系整体上呈现“上柔下刚”的特点,自振频率相比刚性地基假定的车站结构体系降低;在三种强地震动作用下,场地非线性地震效应显著,地表加速度显著放大,场地土的加速度与位移响应随着埋深增大逐渐减小;桩-土之间相互作用与场地非线性地震效应相关,两者共同变形来抵抗强地震动引起的地基变形,且两者相互作用的强度随着地震动强度的增大而增大;三种地震波中以Kobe波的卓越频率与车站结构体系自振频率最为接近,El Centro波次之;屋盖结构的存在导致车站框架结构地震响应随高度逐渐放大,且屋盖结构与下部框架结构连接处的地震响应放大最大,因此导致车站结构顶层的最大层间位移角大于底层的最大层间位移角。
当前状态:
, 最新更新时间: ,
doi: 10.11899/zzfy20250008
摘要:
四川东北区域包含南充、达州、巴中等市,被龙门山等多条断裂带包围。为进一步评估和掌握四川东北区域村镇建筑物抗震能力现状。本研究对位于四川省东北部区域的7市37个调查点的村镇建筑物进行了现场调查分析。结合调查资料、无人机航拍及单栋抽样详查等方法,本文分析了调查区域内乡镇与农村建筑的分布差异性,总结了4种结构类型(木结构、砖木结构、砖混结构、底框结构)在抗震措施、建筑特点、建筑材料、分布情况等方面的信息,并结合实际震害资料分析其抗震薄弱环节,以期对四川东北区域村镇建筑的防震减灾工作提供理论支持。其中,老旧木结构和砖木结构几乎未设置抗震构造措施,抗震能力较差;早期砖混结构与底框结构均未按规范设置圈梁和构造柱,且悬挑和出屋面构件往往缺乏锚固措施,抗震性能薄弱。在遭遇当地基本设防烈度地震作用时,这些建筑极易受到破坏,抗震能力现状不容乐观。
四川东北区域包含南充、达州、巴中等市,被龙门山等多条断裂带包围。为进一步评估和掌握四川东北区域村镇建筑物抗震能力现状。本研究对位于四川省东北部区域的7市37个调查点的村镇建筑物进行了现场调查分析。结合调查资料、无人机航拍及单栋抽样详查等方法,本文分析了调查区域内乡镇与农村建筑的分布差异性,总结了4种结构类型(木结构、砖木结构、砖混结构、底框结构)在抗震措施、建筑特点、建筑材料、分布情况等方面的信息,并结合实际震害资料分析其抗震薄弱环节,以期对四川东北区域村镇建筑的防震减灾工作提供理论支持。其中,老旧木结构和砖木结构几乎未设置抗震构造措施,抗震能力较差;早期砖混结构与底框结构均未按规范设置圈梁和构造柱,且悬挑和出屋面构件往往缺乏锚固措施,抗震性能薄弱。在遭遇当地基本设防烈度地震作用时,这些建筑极易受到破坏,抗震能力现状不容乐观。
当前状态:
, 最新更新时间: ,
doi: 10.11899/zzfy20230259
摘要:
在复杂场地地震效应研究中,针对三维局部不规则地形对地震波的散射问题,近些年来,作者提出并发展了一种基于斜面均布荷载动力格林函数的间接边界元法(IBEM),获得了不同地形的三维散射结果。为便于该IBEM结果与相关研究的对比验证,作者将已获得结果进行整理与补充,形成一个系列进行刊出。各向同性弹性介质中二维和2.5维结果已整理并撰写成文刊出。本文对各向同性弹性介质中不同几何形状下三维凹陷、凸起和沉积地形对平面SH波、P波和SV波的散射结果进行整理与补充。
在复杂场地地震效应研究中,针对三维局部不规则地形对地震波的散射问题,近些年来,作者提出并发展了一种基于斜面均布荷载动力格林函数的间接边界元法(IBEM),获得了不同地形的三维散射结果。为便于该IBEM结果与相关研究的对比验证,作者将已获得结果进行整理与补充,形成一个系列进行刊出。各向同性弹性介质中二维和2.5维结果已整理并撰写成文刊出。本文对各向同性弹性介质中不同几何形状下三维凹陷、凸起和沉积地形对平面SH波、P波和SV波的散射结果进行整理与补充。
当前状态:
, 最新更新时间: ,
doi: 10.11899/zzfy20240266
摘要:
排架墩在中小跨径公路桥梁和城市高架桥中应用广泛,历次破坏性地震中也暴露出了其显著的震害问题。为了提升排架墩桥梁的整体抗震能力,本研究采用防屈曲支撑(Buckling-Restrained Braces, BRB)作为保险丝构件,以实现对排架墩的地震损伤控制。选取一座典型的五跨连续梁桥作为研究对象,对4组不同排架墩进行基于位移的抗震性能提升设计,并使用OpenSees软件建立全桥动力分析模型。选取特定地震动记录,以桥墩位移延性系数和支座剪应变为损伤指标,通过云图法对安装BRB前后桥梁进行概率地震需求分析,对比其概率地震需求模型、易损性曲线和危险性曲线,重点研究关键承重构件的易损性曲面随初始刚度比和屈服位移比的变化情况。结果表明,安装BRB后,各个桥墩的损伤得到了明显控制,且初始刚度比和屈服位移比对损伤控制起到了关键作用。同时,安装BRB对各个支座的损伤也产生了一定影响,在轻微损伤状态下,其影响不大,但在完全破坏状态下则存在明显差异。在相同损伤状态下,桥墩的地震损伤超越概率随初始刚度比的增加而减少,且随屈服位移比的增加而下降,并逐渐趋于稳定。
排架墩在中小跨径公路桥梁和城市高架桥中应用广泛,历次破坏性地震中也暴露出了其显著的震害问题。为了提升排架墩桥梁的整体抗震能力,本研究采用防屈曲支撑(Buckling-Restrained Braces, BRB)作为保险丝构件,以实现对排架墩的地震损伤控制。选取一座典型的五跨连续梁桥作为研究对象,对4组不同排架墩进行基于位移的抗震性能提升设计,并使用OpenSees软件建立全桥动力分析模型。选取特定地震动记录,以桥墩位移延性系数和支座剪应变为损伤指标,通过云图法对安装BRB前后桥梁进行概率地震需求分析,对比其概率地震需求模型、易损性曲线和危险性曲线,重点研究关键承重构件的易损性曲面随初始刚度比和屈服位移比的变化情况。结果表明,安装BRB后,各个桥墩的损伤得到了明显控制,且初始刚度比和屈服位移比对损伤控制起到了关键作用。同时,安装BRB对各个支座的损伤也产生了一定影响,在轻微损伤状态下,其影响不大,但在完全破坏状态下则存在明显差异。在相同损伤状态下,桥墩的地震损伤超越概率随初始刚度比的增加而减少,且随屈服位移比的增加而下降,并逐渐趋于稳定。
当前状态:
, 最新更新时间: ,
doi: 10.11899/zzfy20240267
摘要:
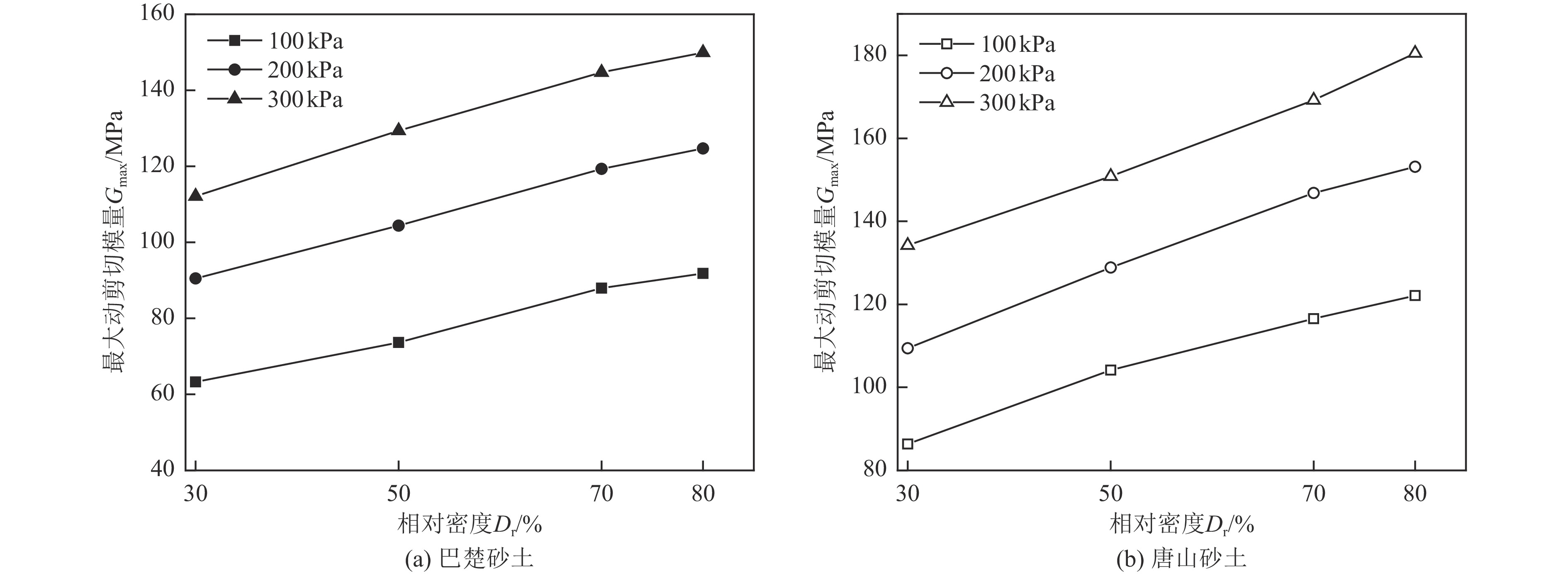
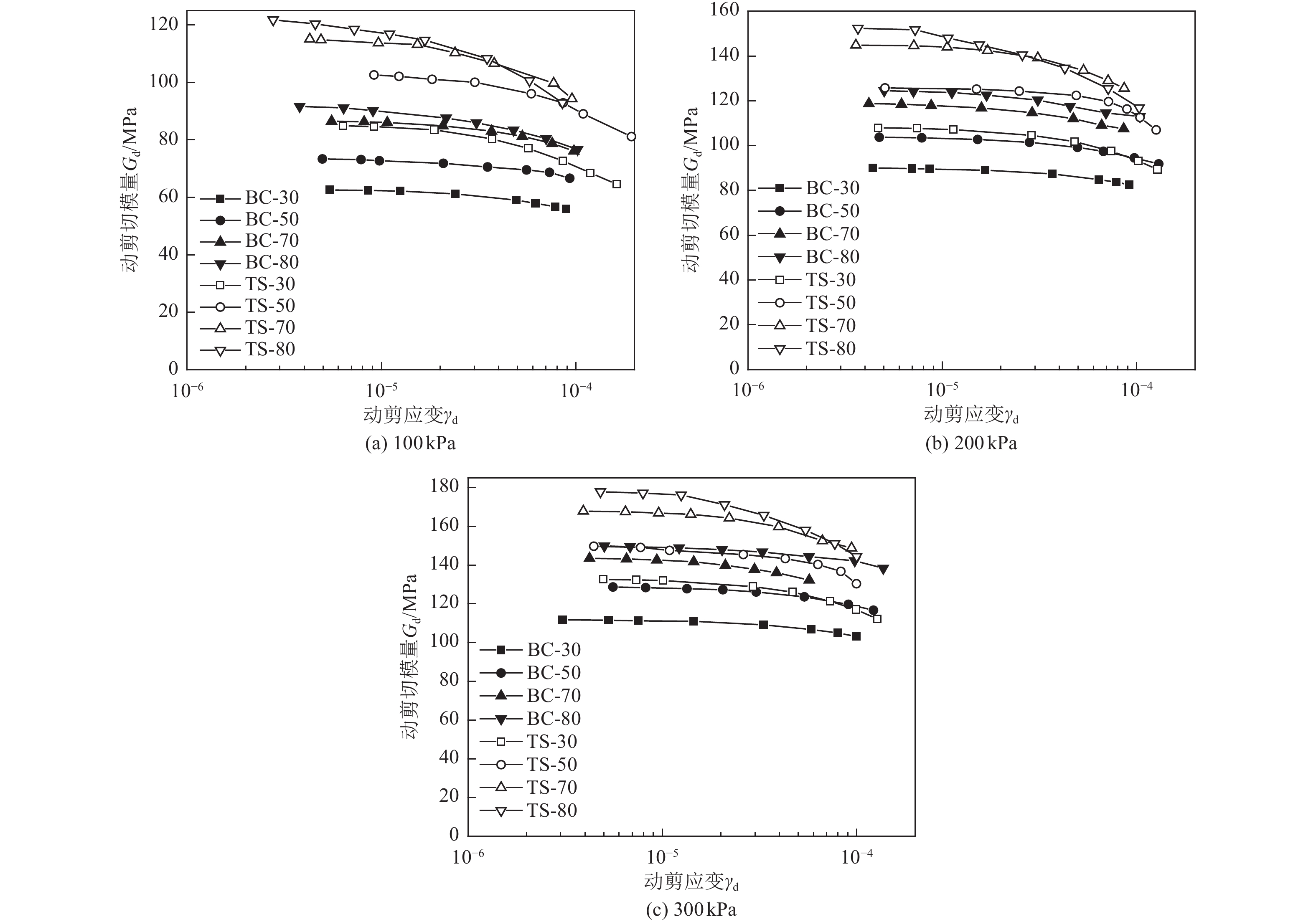
巴楚地震液化砂土标贯击数与锥尖阻力指标普遍偏大,却仍然发生广泛液化,原因至今没有查明。选取唐山地震和巴楚地震典型液化砂土,进行室内土工试验,对比两种砂土物性指标差异,并分别按相对密度30%、50%、70%、80%制样进行共振柱试验,试验发现:(1)相同相对密度下,唐山砂土干密度大于巴楚砂土,孔隙比小于巴楚砂土,试样中固体颗粒更多,孔隙更少。因此,唐山砂土的动剪切模量和阻尼比都高于巴楚砂土。然而,共振柱激振作用会导致土样内部结构发生变化,由于巴楚砂土颗粒更加均匀且颗粒比重更大,其动力稳定性高于唐山砂土。(2)随着固结应力的增大,唐山砂土动剪切模量比与动剪应变关系包络线范围逐渐收窄,符合一般规律。巴楚砂土在300 kPa的固结应力下,包络线范围反而变得更宽,体现了巴楚砂土明显的剪胀效应。(3)在同样的固结应力下,常规相对密度范围内,巴楚砂土剪切波速小于唐山砂土。然而,随剪应变增大,巴楚砂土动力稳定性更强。这表明仅用剪切波速判别土体液化存在问题,因为剪切波速代表土体小应变时的状态,而液化则是土体在大应变时的状态。从这个角度来说,标准贯入试验和静力触探试验中土体都处于大应变状态,与液化状态更相似,可以建立更好的相关关系。
巴楚地震液化砂土标贯击数与锥尖阻力指标普遍偏大,却仍然发生广泛液化,原因至今没有查明。选取唐山地震和巴楚地震典型液化砂土,进行室内土工试验,对比两种砂土物性指标差异,并分别按相对密度30%、50%、70%、80%制样进行共振柱试验,试验发现:(1)相同相对密度下,唐山砂土干密度大于巴楚砂土,孔隙比小于巴楚砂土,试样中固体颗粒更多,孔隙更少。因此,唐山砂土的动剪切模量和阻尼比都高于巴楚砂土。然而,共振柱激振作用会导致土样内部结构发生变化,由于巴楚砂土颗粒更加均匀且颗粒比重更大,其动力稳定性高于唐山砂土。(2)随着固结应力的增大,唐山砂土动剪切模量比与动剪应变关系包络线范围逐渐收窄,符合一般规律。巴楚砂土在300 kPa的固结应力下,包络线范围反而变得更宽,体现了巴楚砂土明显的剪胀效应。(3)在同样的固结应力下,常规相对密度范围内,巴楚砂土剪切波速小于唐山砂土。然而,随剪应变增大,巴楚砂土动力稳定性更强。这表明仅用剪切波速判别土体液化存在问题,因为剪切波速代表土体小应变时的状态,而液化则是土体在大应变时的状态。从这个角度来说,标准贯入试验和静力触探试验中土体都处于大应变状态,与液化状态更相似,可以建立更好的相关关系。
当前状态:
, 最新更新时间: ,
doi: 10.11899/zzfy20240251
摘要:
本研究利用机载LiDAR技术详细解析了紫荆关断裂双塘涧-老峪沟段的平面几何特征。通过高分辨率地形数据揭示了断裂的地表迹线和平面展布特征,分析了紫荆关断裂与南口山前断裂的几何连接关系。研究显示,紫荆关断裂沿线主要发育山地、河谷及洪积扇地貌,其中山区表现为断层崖和断层三角面;河谷内普遍发育T0、T1阶地,而T2阶地较少。断裂双塘涧-老峪沟段由多条分支断裂组成,形成右阶斜列形式,这些分支断裂具有明显的线性特征,主要沿山间谷地分布。马套村以南的两条断裂交汇部位解译数据显示,紫荆关断裂与南口山前断裂在地表的连接特征呈现复杂性与不连续性,紫荆关断裂表现为较弱的活动性,主要以正断层为主,而南口山前断裂为晚更新世活动断裂,具有显著的倾滑特征。两者的活动性及几何形态差异可能受构造应力场的影响,导致局部断裂重叠、错动以及相对位移,从而形成不完全连接的现象。这些发现为理解华北地区拉张构造背景下的动力学特征与运动学机制提供了新的视角,并对该地区的地震风险评估及地质研究具有重要意义。
本研究利用机载LiDAR技术详细解析了紫荆关断裂双塘涧-老峪沟段的平面几何特征。通过高分辨率地形数据揭示了断裂的地表迹线和平面展布特征,分析了紫荆关断裂与南口山前断裂的几何连接关系。研究显示,紫荆关断裂沿线主要发育山地、河谷及洪积扇地貌,其中山区表现为断层崖和断层三角面;河谷内普遍发育T0、T1阶地,而T2阶地较少。断裂双塘涧-老峪沟段由多条分支断裂组成,形成右阶斜列形式,这些分支断裂具有明显的线性特征,主要沿山间谷地分布。马套村以南的两条断裂交汇部位解译数据显示,紫荆关断裂与南口山前断裂在地表的连接特征呈现复杂性与不连续性,紫荆关断裂表现为较弱的活动性,主要以正断层为主,而南口山前断裂为晚更新世活动断裂,具有显著的倾滑特征。两者的活动性及几何形态差异可能受构造应力场的影响,导致局部断裂重叠、错动以及相对位移,从而形成不完全连接的现象。这些发现为理解华北地区拉张构造背景下的动力学特征与运动学机制提供了新的视角,并对该地区的地震风险评估及地质研究具有重要意义。
当前状态:
, 最新更新时间: ,
doi: 10.11899/zzfy20250140
摘要:
巩留南断裂位于伊宁盆地的南部边界,它与喀什河断裂控制着伊宁盆地的形成与发展,以及盆地内新生代地层的沉积与变形。作为新源县内的主要断裂,其晚第四纪活动性对评估新源县地震危险性具有重要意义。本文首先通过深、浅层地震勘探揭示了巩留南断裂的位置和深部几何特征,进而利用地质露头与探槽剖面确定断裂的地表浅层位置,并厘定断层面结构样式,最后采用光释光测年(OSL)的方法确定巩留南断裂活动时代。本研究首次通过深浅层地震勘探、地质剖面研究与光释光测年的多方法耦合,明确了巩留南断裂以逆冲活动为主,揭示了其深浅构造特征与全新世活动规律。巩留南断裂走向近EW,倾向S,倾角为20 °~67 °,表现出前展式逆冲构造模式。断裂的垂直滑动速率为0.12 mm/a,倾滑速率为0.21 mm/a,表明其在晚第四纪具有弱活动性。巩留南断裂位于阿吾拉勒山发震构造中,结合断裂地表破裂长度与最大地表位移,评估其最大潜在震级为6.9~7.5级。
巩留南断裂位于伊宁盆地的南部边界,它与喀什河断裂控制着伊宁盆地的形成与发展,以及盆地内新生代地层的沉积与变形。作为新源县内的主要断裂,其晚第四纪活动性对评估新源县地震危险性具有重要意义。本文首先通过深、浅层地震勘探揭示了巩留南断裂的位置和深部几何特征,进而利用地质露头与探槽剖面确定断裂的地表浅层位置,并厘定断层面结构样式,最后采用光释光测年(OSL)的方法确定巩留南断裂活动时代。本研究首次通过深浅层地震勘探、地质剖面研究与光释光测年的多方法耦合,明确了巩留南断裂以逆冲活动为主,揭示了其深浅构造特征与全新世活动规律。巩留南断裂走向近EW,倾向S,倾角为20 °~67 °,表现出前展式逆冲构造模式。断裂的垂直滑动速率为0.12 mm/a,倾滑速率为0.21 mm/a,表明其在晚第四纪具有弱活动性。巩留南断裂位于阿吾拉勒山发震构造中,结合断裂地表破裂长度与最大地表位移,评估其最大潜在震级为6.9~7.5级。
当前状态:
, 最新更新时间: ,
doi: 10.11899/zzfy20240511
摘要:
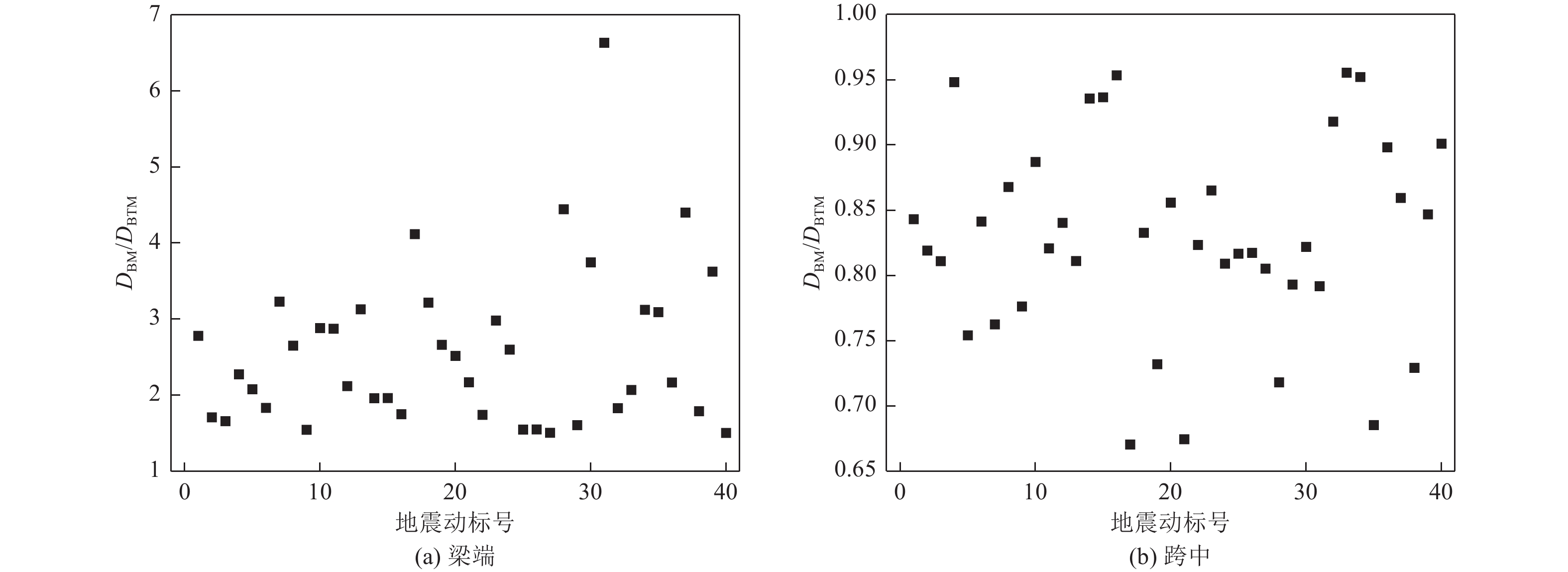
为研究考虑轨道约束效应对高速铁路连续刚构桥的地震反应及损伤状态的影响,本文以一座跨径为256(48+2×80+48)m的连续刚构桥为对象进行研究。通过模拟连续刚构桥的施工过程获得成桥时的真实内力状态,然后基于等效荷载法得到内力等效荷载,并将其施加于OpenSees动力分析模型中,使其处于等效内力状态。输入三维近断层脉冲型地震动进行非线性时程分析。本文首先分析了是否考虑无砟轨道约束对高墩连续刚构桥主梁和桥墩的地震响应,其次分别以曲率延性系数和支座位移作为桥墩和支座的损伤评价指标,对是否考虑轨道约束的连续刚构桥进行损伤分析。结果表明:无砟轨道为连续刚构桥提供了很大的纵向约束,会明显降低主梁各部位(梁端和跨中)沿纵桥向的位移响应,在梁端处最大可降低约1.3倍,在跨中处最大降低约1.25倍;同时沿横桥向轨道约束会降低梁端地震响应,在横桥向可降低55.3%~66.3%,在竖向可降低0.7%~4.2%,但是轨道约束会放大跨中地震峰值位移(1.04倍~1.5倍)。此外,轨道约束在一定程度上也会降低桥墩和桥台处支座的损伤。
为研究考虑轨道约束效应对高速铁路连续刚构桥的地震反应及损伤状态的影响,本文以一座跨径为256(48+2×80+48)m的连续刚构桥为对象进行研究。通过模拟连续刚构桥的施工过程获得成桥时的真实内力状态,然后基于等效荷载法得到内力等效荷载,并将其施加于OpenSees动力分析模型中,使其处于等效内力状态。输入三维近断层脉冲型地震动进行非线性时程分析。本文首先分析了是否考虑无砟轨道约束对高墩连续刚构桥主梁和桥墩的地震响应,其次分别以曲率延性系数和支座位移作为桥墩和支座的损伤评价指标,对是否考虑轨道约束的连续刚构桥进行损伤分析。结果表明:无砟轨道为连续刚构桥提供了很大的纵向约束,会明显降低主梁各部位(梁端和跨中)沿纵桥向的位移响应,在梁端处最大可降低约1.3倍,在跨中处最大降低约1.25倍;同时沿横桥向轨道约束会降低梁端地震响应,在横桥向可降低55.3%~66.3%,在竖向可降低0.7%~4.2%,但是轨道约束会放大跨中地震峰值位移(1.04倍~1.5倍)。此外,轨道约束在一定程度上也会降低桥墩和桥台处支座的损伤。
当前状态:
, 最新更新时间: ,
doi: 10.11899/zzfy20250021
摘要:
为获得符合湖北震损情况及民居建筑特点的房屋震害矩阵,本文基于7次湖北省历史地震调查资料及十堰地区房屋现场调查结果,以乡镇及农村民居为研究对象,系统分析了砖混结构、砖木结构和土木结构三种典型民居的结构特点与震害特征,采用Beta概率密度函数对高烈度区震害矩阵数据进行补充,构建了湖北民居地震易损性矩阵,通过与规范中的地震烈度表进行对比分析,验证了地震易损性矩阵的可靠性。研究结果为湖北地区乡镇及农村民居建筑的抗震性能评估提供了科学依据和有效参考。
为获得符合湖北震损情况及民居建筑特点的房屋震害矩阵,本文基于7次湖北省历史地震调查资料及十堰地区房屋现场调查结果,以乡镇及农村民居为研究对象,系统分析了砖混结构、砖木结构和土木结构三种典型民居的结构特点与震害特征,采用Beta概率密度函数对高烈度区震害矩阵数据进行补充,构建了湖北民居地震易损性矩阵,通过与规范中的地震烈度表进行对比分析,验证了地震易损性矩阵的可靠性。研究结果为湖北地区乡镇及农村民居建筑的抗震性能评估提供了科学依据和有效参考。
当前状态:
, 最新更新时间: ,
doi: 10.11899/zzfy20250028
摘要:
砂土液化场地的地震动特性研究对于重大工程的抗震设防具有重要意义。基于新西兰2010年-2011年地震序列的地震动记录,对比分析强震动观测台站场地在液化与非液化事件中的地震动特性,利用希尔伯特-黄变换(Hilbert-Huang Transform,HHT)进行时频分析,揭示了液化对地震波频谱的影响特征。结果表明,液化场地的地震动加速度时程具有显著的“尖刺”谐波振荡现象。通过时频图中特定频率成分的变化,即中高频成分显著减少,低频成分占据主导地位,依据这一频率突降特征,通过时频图频率突降特征判定能够有效确定场地进入液化状态的时刻。基于美国野生动物园液化台阵(Wildlife Liquefaction Array , WLA)的数据资料,结合对应的孔压监测数据,验证了地震动记录时频图中频率成分变化表征液化触发时间的可行性,对于基于地表强震动记录判定场地砂土液化状态具有较好的指征意义。
砂土液化场地的地震动特性研究对于重大工程的抗震设防具有重要意义。基于新西兰2010年-2011年地震序列的地震动记录,对比分析强震动观测台站场地在液化与非液化事件中的地震动特性,利用希尔伯特-黄变换(Hilbert-Huang Transform,HHT)进行时频分析,揭示了液化对地震波频谱的影响特征。结果表明,液化场地的地震动加速度时程具有显著的“尖刺”谐波振荡现象。通过时频图中特定频率成分的变化,即中高频成分显著减少,低频成分占据主导地位,依据这一频率突降特征,通过时频图频率突降特征判定能够有效确定场地进入液化状态的时刻。基于美国野生动物园液化台阵(Wildlife Liquefaction Array , WLA)的数据资料,结合对应的孔压监测数据,验证了地震动记录时频图中频率成分变化表征液化触发时间的可行性,对于基于地表强震动记录判定场地砂土液化状态具有较好的指征意义。
当前状态:
, 最新更新时间: ,
doi: 10.11899/zzfy20250030
摘要:
针对传统地震灾害风险评估研究中指标赋权主观性较大的问题,本文提出一种基于熵值-突变级数法的地震灾害风险评估方法。首先从地震危险性、承灾体暴露度、承灾体脆弱性和应急备震能力四个维度出发,构建了反映地震灾害风险自然属性和社会属性的指标体系。然后,利用熵权法计算指标权重,进行重要性排序,再结合控制变量数目,选择合适的突变类型,建立地震灾害风险评估模型。最后,应用该评价模型,对荣县地震灾害风险等级进行评估。结果表明:长山镇、旭阳镇北部及保华镇南部处于地震灾害高风险水平,旭阳镇、来牟镇和高山镇地震灾害风险水平较高,河口镇和正紫镇地震灾害风险水平为较低风险,地震灾害风险中等及较低的区域零星的分布在各乡镇。
关键字:熵权法;突变级数法;地震灾害;风险评估;
针对传统地震灾害风险评估研究中指标赋权主观性较大的问题,本文提出一种基于熵值-突变级数法的地震灾害风险评估方法。首先从地震危险性、承灾体暴露度、承灾体脆弱性和应急备震能力四个维度出发,构建了反映地震灾害风险自然属性和社会属性的指标体系。然后,利用熵权法计算指标权重,进行重要性排序,再结合控制变量数目,选择合适的突变类型,建立地震灾害风险评估模型。最后,应用该评价模型,对荣县地震灾害风险等级进行评估。结果表明:长山镇、旭阳镇北部及保华镇南部处于地震灾害高风险水平,旭阳镇、来牟镇和高山镇地震灾害风险水平较高,河口镇和正紫镇地震灾害风险水平为较低风险,地震灾害风险中等及较低的区域零星的分布在各乡镇。
关键字:熵权法;突变级数法;地震灾害;风险评估;
当前状态:
, 最新更新时间: ,
doi: 10.11899/zzfy20250036
摘要:
社区地震应急演练是我国防震减灾工作的重要内容,提高社区地震应急能力是减轻地震灾害的有效手段。但社区地震应急演练还存在一些问题,如缺乏规范流程和资源统筹平台、演练方案规划及设计不及时等。本文通过分析社区地震应急演练的需求及相关要素,构建了基于B/S和C/S混合架构的社区地震应急演练平台,并在潍坊市开展了试点实践。实践结果表明,本文构建的平台在规范化社区地震应急演练方面发挥了明显作用,有效提升了社区的防震减灾能力,并获得了初步认可。
社区地震应急演练是我国防震减灾工作的重要内容,提高社区地震应急能力是减轻地震灾害的有效手段。但社区地震应急演练还存在一些问题,如缺乏规范流程和资源统筹平台、演练方案规划及设计不及时等。本文通过分析社区地震应急演练的需求及相关要素,构建了基于B/S和C/S混合架构的社区地震应急演练平台,并在潍坊市开展了试点实践。实践结果表明,本文构建的平台在规范化社区地震应急演练方面发挥了明显作用,有效提升了社区的防震减灾能力,并获得了初步认可。
当前状态:
, 最新更新时间: ,
doi: 10.11899/zzfy20240250
摘要:
针对桥梁结构的安全运维,结构动力参数的识别是评估结构健康状况的关键步骤。然而,传统的结构动力参数识别技术依赖于昂贵且操作复杂的传感器设备和数据采集系统,且需要由专业团队和经验丰富的技术人员进行操作与分析,这些技术壁垒限制了桥梁结构健康监测与维护技术的普及。针对上述技术难题,本研究提出了一种基于智能手机的桥梁结构动力参数识别及不确定性评估方法,并在一座人行天桥上进行了应用验证试验和对比测试。结果证明,本研究提出的方法在识别精度和稳定性方面表现优异,为实际工程应用提供了坚实的理论支撑。
针对桥梁结构的安全运维,结构动力参数的识别是评估结构健康状况的关键步骤。然而,传统的结构动力参数识别技术依赖于昂贵且操作复杂的传感器设备和数据采集系统,且需要由专业团队和经验丰富的技术人员进行操作与分析,这些技术壁垒限制了桥梁结构健康监测与维护技术的普及。针对上述技术难题,本研究提出了一种基于智能手机的桥梁结构动力参数识别及不确定性评估方法,并在一座人行天桥上进行了应用验证试验和对比测试。结果证明,本研究提出的方法在识别精度和稳定性方面表现优异,为实际工程应用提供了坚实的理论支撑。
当前状态:
, 最新更新时间: ,
doi: 10.11899/zzfy20250044
摘要:
地震动时程作为结构抗震分析的输入,其合理的选择与使用直接影响抗震分析结果的可靠性。针对天然地震动选取问题,根据我国抗震规范对输入地震动时程的相关要求,本文提出了一套系统的地震动时程优选方法,该方法综合考虑地震动强度、频谱特性、持时等因素,并结合规范对目标谱匹配和空间相关性的要求,实现了对天然地震动三分量的有效筛选。本文提出的方法具有较强的实用性和可操作性,为工程实践中的地震动时程选择提供了科学依据和技术支撑。
地震动时程作为结构抗震分析的输入,其合理的选择与使用直接影响抗震分析结果的可靠性。针对天然地震动选取问题,根据我国抗震规范对输入地震动时程的相关要求,本文提出了一套系统的地震动时程优选方法,该方法综合考虑地震动强度、频谱特性、持时等因素,并结合规范对目标谱匹配和空间相关性的要求,实现了对天然地震动三分量的有效筛选。本文提出的方法具有较强的实用性和可操作性,为工程实践中的地震动时程选择提供了科学依据和技术支撑。
当前状态:
, 最新更新时间: ,
doi: 10.11899/zzfy20250049
摘要:
基于四阶连续小波变换的脉冲识别方法分析近断层地震动速度脉冲特性,利用分解-叠加法纳入方向性效应脉冲等低频速度脉冲成分,考虑断层距、断层类型、地震矩、震源深度和品质因子Q、高频衰减因子kappa等参数随机性,在动力学拐角频率随机有限断层法的基础上,融合近断层地震动的低频速度脉冲特性建立完整的近场脉冲型地震动模拟模型;以1999年9月21日台湾集集地震(Mw7.6)为例,验证该方法的正确性。然后,将模拟近断层地震动和实测地震动记录分别输入RC梁桥有限元模型中进行结构动力响应分析,并验证该方法在结构地震反应分析中的适用性。结果表明:以动力学拐角频率随机有限断层法为基础,所改进的的近场脉冲型地震动模拟结果与实测记录匹配良好,能有效反映近断层地震作用下RC梁桥的破坏特性,可作为近断层桥梁抗震设计的参考。
基于四阶连续小波变换的脉冲识别方法分析近断层地震动速度脉冲特性,利用分解-叠加法纳入方向性效应脉冲等低频速度脉冲成分,考虑断层距、断层类型、地震矩、震源深度和品质因子Q、高频衰减因子kappa等参数随机性,在动力学拐角频率随机有限断层法的基础上,融合近断层地震动的低频速度脉冲特性建立完整的近场脉冲型地震动模拟模型;以1999年9月21日台湾集集地震(Mw7.6)为例,验证该方法的正确性。然后,将模拟近断层地震动和实测地震动记录分别输入RC梁桥有限元模型中进行结构动力响应分析,并验证该方法在结构地震反应分析中的适用性。结果表明:以动力学拐角频率随机有限断层法为基础,所改进的的近场脉冲型地震动模拟结果与实测记录匹配良好,能有效反映近断层地震作用下RC梁桥的破坏特性,可作为近断层桥梁抗震设计的参考。
当前状态:
, 最新更新时间: ,
doi: 10.11899/zzfy20250160
摘要:
地震行业标准DB/T 93《活动断层探查 成果报告编写规则》分为3个部分,已经全部发布实施。该标准对成果报告进行分类,分为项目总报告(含竣工报告、技术报告和成果简本)和专题工作报告(涵盖9种专题),规定了各类报告名称的两段式复合法命名规则。在结构要素上,采用模块化思路将报告分为前置、正文和结尾部分,并对各部分内容、行文规范以及图表、公式等进行细化规定。项目总报告从总体展示项目情况,不同类型报告在内容和章节设置上各有侧重;专题工作报告详细体现专题工作信息,部分专题还要求进行不确定性讨论。本文将从标准的编制背景、条文内容和实施建议等方面进行解读。
地震行业标准DB/T 93《活动断层探查 成果报告编写规则》分为3个部分,已经全部发布实施。该标准对成果报告进行分类,分为项目总报告(含竣工报告、技术报告和成果简本)和专题工作报告(涵盖9种专题),规定了各类报告名称的两段式复合法命名规则。在结构要素上,采用模块化思路将报告分为前置、正文和结尾部分,并对各部分内容、行文规范以及图表、公式等进行细化规定。项目总报告从总体展示项目情况,不同类型报告在内容和章节设置上各有侧重;专题工作报告详细体现专题工作信息,部分专题还要求进行不确定性讨论。本文将从标准的编制背景、条文内容和实施建议等方面进行解读。
显示方式:
2025, 20(4): 697-716.
doi: 10.11899/zzfy20250165
摘要:
数十年间,地震学家及地震工程学家通力合作,为包括地震构造特征、地震活动性、震源特性、地震动预测模型及场地效应等多个关键问题的解决提供了支撑,形成了地球科学与工程科学交叉融合的具有独特性的工程地震学科,并取得了系统的应用性研究成果。作为工程地震学重要分支的强震动地震学得到了迅猛发展,为地震区划和工程抗震研究奠定了坚实基础,为城乡建设和核电、交通、能源等多类型行业的发展提供了地震安全保障。近年来,随着算力、算法及算料(数据)等人工智能关键要素的大力发展,进一步实现强震动地震学与信息学科交叉成为可能,也迅速成为本领域的热点问题。本文首先分析了强震动地震学研究进展与关键问题,探讨了其与人工智能交叉的框架。而后从知识嵌入、数据-知识融合及知识发现3个层面,综述了行业研究成果,重点介绍:(1)地震波动相关的控制方程与边界、初始条件物理嵌入理论与求解方法;(2)数据与物理机制联合驱动的人工智能地震动模型构建理论与方法;(3)强震动人工智能生成模型等。最后,讨论了目前强震动地震学与人工智能研究亟须解决的关键问题,并对未来的发展方向进行了展望。
数十年间,地震学家及地震工程学家通力合作,为包括地震构造特征、地震活动性、震源特性、地震动预测模型及场地效应等多个关键问题的解决提供了支撑,形成了地球科学与工程科学交叉融合的具有独特性的工程地震学科,并取得了系统的应用性研究成果。作为工程地震学重要分支的强震动地震学得到了迅猛发展,为地震区划和工程抗震研究奠定了坚实基础,为城乡建设和核电、交通、能源等多类型行业的发展提供了地震安全保障。近年来,随着算力、算法及算料(数据)等人工智能关键要素的大力发展,进一步实现强震动地震学与信息学科交叉成为可能,也迅速成为本领域的热点问题。本文首先分析了强震动地震学研究进展与关键问题,探讨了其与人工智能交叉的框架。而后从知识嵌入、数据-知识融合及知识发现3个层面,综述了行业研究成果,重点介绍:(1)地震波动相关的控制方程与边界、初始条件物理嵌入理论与求解方法;(2)数据与物理机制联合驱动的人工智能地震动模型构建理论与方法;(3)强震动人工智能生成模型等。最后,讨论了目前强震动地震学与人工智能研究亟须解决的关键问题,并对未来的发展方向进行了展望。
2025, 20(4): 717-728.
doi: 10.11899/zzfy20250146
摘要:
为探索和建立适用于我国的现地峰值加速度(PGA)预测模型,以及提高现地PGA预测的可靠性,本研究提出了一种基于时空图神经网络的现地PGA预测模型(TSGNN-PGA),并采用中国强震数据对TSGNN-PGA模型进行训练和测试。结果表明:P波触发后3 s,和Pd-PGA方法相比,TSGNN-PGA模型对于PGA预测有更小的平均绝对误差(MAE)和标准差(STD),以及更大的决定系数,且分别为0.205、0.261和0.688;同时,和Pd-PGA方法相比,在不同的震中距、震级和信噪比范围下,TSGNN-PGA模型对于PGA预测有更小的MAE和STD,这意味着TSGNN-PGA模型对于震中距、震级和信噪比的敏感性更弱,且受影响更小。此外,在漾濞6.4级地震、芦山6.1级地震和积石山6.2级地震中,与Pd-PGA方法相比,TSGNN-PGA模型对于PGA预测表现出更强的鲁棒性。由此推断TSGNN-PGA模型在一定程度上可以提高我国现地PGA预测的可靠性,且对于地震预警有着重要意义。
为探索和建立适用于我国的现地峰值加速度(PGA)预测模型,以及提高现地PGA预测的可靠性,本研究提出了一种基于时空图神经网络的现地PGA预测模型(TSGNN-PGA),并采用中国强震数据对TSGNN-PGA模型进行训练和测试。结果表明:P波触发后3 s,和Pd-PGA方法相比,TSGNN-PGA模型对于PGA预测有更小的平均绝对误差(MAE)和标准差(STD),以及更大的决定系数,且分别为0.205、0.261和0.688;同时,和Pd-PGA方法相比,在不同的震中距、震级和信噪比范围下,TSGNN-PGA模型对于PGA预测有更小的MAE和STD,这意味着TSGNN-PGA模型对于震中距、震级和信噪比的敏感性更弱,且受影响更小。此外,在漾濞6.4级地震、芦山6.1级地震和积石山6.2级地震中,与Pd-PGA方法相比,TSGNN-PGA模型对于PGA预测表现出更强的鲁棒性。由此推断TSGNN-PGA模型在一定程度上可以提高我国现地PGA预测的可靠性,且对于地震预警有着重要意义。
2025, 20(4): 729-738.
doi: 10.11899/zzfy20250124
摘要:
基于简单线性关系的分析方法在表征地震动影响因素时,往往导致预测结果与实测数据存在显著偏差。为克服这一局限性,本文基于生成式神经网络无需依赖先验地震学知识即可自动提取特征并生成完整地震动时程的优势,系统评估了3种典型生成式神经网络模型(变分自编码器VAE、生成对抗网络GAN和去噪扩散概率模型DDPM)在地震动模拟中的性能表现。研究采用PEER数据库中的1 451条水平向地震动记录(源自23次独立地震事件)作为训练数据集,对3种模型进行统一训练和对比分析。模拟结果时域和频域的综合评估结果表明,3种模型中DDPM展现出最优的模拟性能,GAN次之,而VAE表现相对欠佳。值得注意的是,GAN模拟结果呈现出显著的长周期成分增强特征,而VAE则表现出明显的持时延长现象。通过与4种经典地震动预测方程的对比研究发现,DDPM模拟结果与GMPEs预测值具有较好的一致性,但存在轻微的系统性低估趋势。
基于简单线性关系的分析方法在表征地震动影响因素时,往往导致预测结果与实测数据存在显著偏差。为克服这一局限性,本文基于生成式神经网络无需依赖先验地震学知识即可自动提取特征并生成完整地震动时程的优势,系统评估了3种典型生成式神经网络模型(变分自编码器VAE、生成对抗网络GAN和去噪扩散概率模型DDPM)在地震动模拟中的性能表现。研究采用PEER数据库中的1 451条水平向地震动记录(源自23次独立地震事件)作为训练数据集,对3种模型进行统一训练和对比分析。模拟结果时域和频域的综合评估结果表明,3种模型中DDPM展现出最优的模拟性能,GAN次之,而VAE表现相对欠佳。值得注意的是,GAN模拟结果呈现出显著的长周期成分增强特征,而VAE则表现出明显的持时延长现象。通过与4种经典地震动预测方程的对比研究发现,DDPM模拟结果与GMPEs预测值具有较好的一致性,但存在轻微的系统性低估趋势。
2025, 20(4): 739-753.
doi: 10.11899/zzfy20250120
摘要:
为解决竖向地震动预测不确定性较大的问题,利用NGA-West强地震动数据库,基于自适应神经模糊推理方法(ANFIS)建立竖向地震动强度预测模型,计算2022年1月8日青海门源MW6.7地震的竖向地震动峰值加速度分布。在利用国家地震烈度速报与预警工程观测数据开展信度检验的基础上,探讨近场强地震动的方向效应、场地放大效应及其成因机理。研究结果表明:(1)基于ANFIS方法的竖向地震动强度预测模型在门源MW6.7地震竖向PGA预测过程中取得了较好的预测结果,其预测值与观测值相关系数R约为0.809,均方根误差ERMS约为0.046,说明本文预测模型具有较好的可靠性,同时检验了其在我国中强破坏性地震预测中的适用性。(2)门源MW6.7地震的竖向PGA预测值等值线整体上呈椭圆状,其长轴与发震断层走向具有较好的一致性,震中附近竖向PGA极大值约为376.3 Gal。竖向PGA在随断层距增大而不断衰减的同时,呈现出较为显著的方向性效应以及一定程度上的近场大震饱和效应。(3)竖向地震动峰值加速度的场地放大效应相对弱于水平向地震动,随着\begin{document}$ {{V}}_{{{\mathrm{S}}30}} $\end{document} ![]()
![]()
的不断降低,竖向PGA相对于基岩场地的PGA最大放大倍数约为1.14~1.27;大震条件(MW=7.0)下软土场地(\begin{document}$ {{V}}_{{{\mathrm{S}}30}} $\end{document} ![]()
![]()
=100 m/s)处放大系数约为0.79,呈现出一定的软土减震效应。
为解决竖向地震动预测不确定性较大的问题,利用NGA-West强地震动数据库,基于自适应神经模糊推理方法(ANFIS)建立竖向地震动强度预测模型,计算2022年1月8日青海门源MW6.7地震的竖向地震动峰值加速度分布。在利用国家地震烈度速报与预警工程观测数据开展信度检验的基础上,探讨近场强地震动的方向效应、场地放大效应及其成因机理。研究结果表明:(1)基于ANFIS方法的竖向地震动强度预测模型在门源MW6.7地震竖向PGA预测过程中取得了较好的预测结果,其预测值与观测值相关系数R约为0.809,均方根误差ERMS约为0.046,说明本文预测模型具有较好的可靠性,同时检验了其在我国中强破坏性地震预测中的适用性。(2)门源MW6.7地震的竖向PGA预测值等值线整体上呈椭圆状,其长轴与发震断层走向具有较好的一致性,震中附近竖向PGA极大值约为376.3 Gal。竖向PGA在随断层距增大而不断衰减的同时,呈现出较为显著的方向性效应以及一定程度上的近场大震饱和效应。(3)竖向地震动峰值加速度的场地放大效应相对弱于水平向地震动,随着
2025, 20(4): 754-766.
doi: 10.11899/zzfy20250125
摘要:
长周期地震动因具有丰富的低频成分而易使超高层建筑、大跨桥梁、大型生命线工程等长周期结构产生震害,根据形成机制与特征不同,可分为近场长周期地震动和远场长周期地震动两大类。目前对于长周期地震动的界定方法尚未有统一标准,现有方法多根据单一参数判定,无法表征长周期地震动的复杂特性,且缺少对不同类型长周期地震动的界定。鉴于此,本文从人工多角度提取特征和自动拾取时空联合特征2个角度,分别基于机器学习和深度学习搭建PCA-SVM模型和CNN-LSTM-Attention模型,实现了对近、远场长周期地震动的高效判别,在测试集上分别达到了96.57%和97.06%的准确率。结果表明,本文提出的2种分类模型对近、远场长周期地震动均有较好的判别效果,且相较于传统方法更具优越性,可为长周期地震动的识别与选取提供参考。
长周期地震动因具有丰富的低频成分而易使超高层建筑、大跨桥梁、大型生命线工程等长周期结构产生震害,根据形成机制与特征不同,可分为近场长周期地震动和远场长周期地震动两大类。目前对于长周期地震动的界定方法尚未有统一标准,现有方法多根据单一参数判定,无法表征长周期地震动的复杂特性,且缺少对不同类型长周期地震动的界定。鉴于此,本文从人工多角度提取特征和自动拾取时空联合特征2个角度,分别基于机器学习和深度学习搭建PCA-SVM模型和CNN-LSTM-Attention模型,实现了对近、远场长周期地震动的高效判别,在测试集上分别达到了96.57%和97.06%的准确率。结果表明,本文提出的2种分类模型对近、远场长周期地震动均有较好的判别效果,且相较于传统方法更具优越性,可为长周期地震动的识别与选取提供参考。
2025, 20(4): 767-779.
doi: 10.11899/zzfy20250108
摘要:
局部区域强震台站的稀疏分布严重制约了数据驱动类局部场地放大效应预测模型的构建。本研究利用少量台站多次地震事件的观测数据,提出了一种有效的局部场地效应预测模型构建方法。基于场地效应评价的标准谱比法(Surface/Basement Spectral Ratio,SBSR)和广义反演法(Generalized Inversion Technique,GIT),分别结合卷积神经网络(Convolutional Neural Networks,CNN)和长短时记忆网络(Long Short-term Memory Networks,LSTM),构建了4类确定局部场地放大效应的智能预测模型(CNN-SBSR、CNN-GIT、LSTM-SBSR和LSTM-GIT)。其中SBSR类模型选取了震源参数(震级、震中距、震源深度)、场地参数(等效剪切波速、基岩加速度峰值)及空间坐标(经纬度)等为输入参数,而GIT类模型则仅依赖场地特性和空间信息等相关参数。与传统场地预测方法相比,本研究提出的模型能够直接从单次地震事件的观测数据中进行特征学习,突破了传统方法依赖台站平均谱比回归的局限。所构建的模型仅需输入目标场地的相关信息(如场地特征和空间信息参数等),即可快速预测局部区域中指定位置处的谱比,从而有效解决了传统方法中难以外推至无台站区域或预测精度较差的限制。基于所提出的方法,利用新西兰下哈特盆地6个台站数据构建交叉验证预测模型,结果表明:LSTM类模型凭借其优异的时序特征提取能力展现出更高的预测精度,而CNN模型在参数较少时表现出更好的稳健性。GIT方法因强化场地参数作用,整体性能优于SBSR方法。本研究为稀疏台站区域的场地放大效应预测提供了一种有效的解决方法。
局部区域强震台站的稀疏分布严重制约了数据驱动类局部场地放大效应预测模型的构建。本研究利用少量台站多次地震事件的观测数据,提出了一种有效的局部场地效应预测模型构建方法。基于场地效应评价的标准谱比法(Surface/Basement Spectral Ratio,SBSR)和广义反演法(Generalized Inversion Technique,GIT),分别结合卷积神经网络(Convolutional Neural Networks,CNN)和长短时记忆网络(Long Short-term Memory Networks,LSTM),构建了4类确定局部场地放大效应的智能预测模型(CNN-SBSR、CNN-GIT、LSTM-SBSR和LSTM-GIT)。其中SBSR类模型选取了震源参数(震级、震中距、震源深度)、场地参数(等效剪切波速、基岩加速度峰值)及空间坐标(经纬度)等为输入参数,而GIT类模型则仅依赖场地特性和空间信息等相关参数。与传统场地预测方法相比,本研究提出的模型能够直接从单次地震事件的观测数据中进行特征学习,突破了传统方法依赖台站平均谱比回归的局限。所构建的模型仅需输入目标场地的相关信息(如场地特征和空间信息参数等),即可快速预测局部区域中指定位置处的谱比,从而有效解决了传统方法中难以外推至无台站区域或预测精度较差的限制。基于所提出的方法,利用新西兰下哈特盆地6个台站数据构建交叉验证预测模型,结果表明:LSTM类模型凭借其优异的时序特征提取能力展现出更高的预测精度,而CNN模型在参数较少时表现出更好的稳健性。GIT方法因强化场地参数作用,整体性能优于SBSR方法。本研究为稀疏台站区域的场地放大效应预测提供了一种有效的解决方法。
2025, 20(4): 780-792.
doi: 10.11899/zzfy20250106
摘要:
工程结构加固是指为满足新的功能需求、安全标准或抗震设防要求,对既有结构进行的加固补强。加固方案的选择往往依托技术人员的专业技术水平和工程经验,具有一定的主观性。本研究采用机器学习中的随机森林算法作为数据分析工具,选取结构信息和结构问题两方面共14个影响因素作为输入特征,结构整体加固与局部加固方案作为输出特征。通过构建结构加固策略智能分析模型,有效应对加固方案复杂、组合情况多样而难以建模的问题。本研究以122个实际工程案例为样本构建数据集,通过5个独立随机森林模型(整体结构、墙、柱、梁、板)的构建与整合实现了结构整体加固和局部加固方案的预测,分析了全部特征、重要特征和简单特征3种不同输入特征组合的随机森林模型预测结果,以探究不同输入特征对模型准确率的影响。结果表明,基于全部特征和基于重要特征的机器学习模型准确率相近,5个模型的准确率均可达到69%以上,其中部分模型可以达到80%左右;而基于简单特征的随机森林模型准确率较低。由此可见,选取的重要特征与随机森林模型的预测准确率相关性高,而简单特征难以构建可靠的预测模型。研究成果可为结构加固领域的智能化决策和分析提供参考。
工程结构加固是指为满足新的功能需求、安全标准或抗震设防要求,对既有结构进行的加固补强。加固方案的选择往往依托技术人员的专业技术水平和工程经验,具有一定的主观性。本研究采用机器学习中的随机森林算法作为数据分析工具,选取结构信息和结构问题两方面共14个影响因素作为输入特征,结构整体加固与局部加固方案作为输出特征。通过构建结构加固策略智能分析模型,有效应对加固方案复杂、组合情况多样而难以建模的问题。本研究以122个实际工程案例为样本构建数据集,通过5个独立随机森林模型(整体结构、墙、柱、梁、板)的构建与整合实现了结构整体加固和局部加固方案的预测,分析了全部特征、重要特征和简单特征3种不同输入特征组合的随机森林模型预测结果,以探究不同输入特征对模型准确率的影响。结果表明,基于全部特征和基于重要特征的机器学习模型准确率相近,5个模型的准确率均可达到69%以上,其中部分模型可以达到80%左右;而基于简单特征的随机森林模型准确率较低。由此可见,选取的重要特征与随机森林模型的预测准确率相关性高,而简单特征难以构建可靠的预测模型。研究成果可为结构加固领域的智能化决策和分析提供参考。
2025, 20(4): 793-801.
doi: 10.11899/zzfy20250127
摘要:
本文将灰色系统理论与梯度下降算法结合,提出了一种基于GM(1,1)模型的动态自适应模型优化方法,用于桥梁震损预测。结合桥梁震损研究中地震动随机性强、结构破坏有界等特点,对GM(1,1)模型进行了多项优化,并引入梯度下降算法实现参数动态优化。通过建立四跨预应力混凝土组合箱梁桥的有限元模型,并采用实测地震动记录进行非线性动力时程分析,验证了模型优化方法的可行性与精确度。结果表明,优化后的模型仅需5~6个初始数据即可有效预测桥梁地震易损性,最大误差控制在7%以内,轻微破坏预测精度最高。本研究为地震频发地区提供了轻量化预测方案,基于少量数据即可开展多烈度易损性评估。
本文将灰色系统理论与梯度下降算法结合,提出了一种基于GM(1,1)模型的动态自适应模型优化方法,用于桥梁震损预测。结合桥梁震损研究中地震动随机性强、结构破坏有界等特点,对GM(1,1)模型进行了多项优化,并引入梯度下降算法实现参数动态优化。通过建立四跨预应力混凝土组合箱梁桥的有限元模型,并采用实测地震动记录进行非线性动力时程分析,验证了模型优化方法的可行性与精确度。结果表明,优化后的模型仅需5~6个初始数据即可有效预测桥梁地震易损性,最大误差控制在7%以内,轻微破坏预测精度最高。本研究为地震频发地区提供了轻量化预测方案,基于少量数据即可开展多烈度易损性评估。
2025, 20(4): 802-813.
doi: 10.11899/zzfy20240509
摘要:
本文为研究2024年新疆乌什MS7.1地震的发震构造及应力场特征,收集了主震发生后1月23日至2月1日M≥3.5地震事件的P波初动极性符号,采用初至波极性约束的震源机制反演方法,得到68组震源破裂参数,基于应变花分类体系,建立震源机制类型与区域应力场的映射关系,发现尽管震源机制类型多样,但逆冲类事件占比超过半数,表明此次地震序列是以逆冲破裂为主。随后,系统整合本次地震与历史震源机制解,并通过网格搜索法和遗传算法进行应力张量反演,结果显示研究区呈近SN向挤压、NEE向近垂直拉张。进一步模拟应力体系与震源机制之间的关系表明此次地震沿最优节面破裂,并为后续发震机制与地球动力学研究提供了参考。
本文为研究2024年新疆乌什MS7.1地震的发震构造及应力场特征,收集了主震发生后1月23日至2月1日M≥3.5地震事件的P波初动极性符号,采用初至波极性约束的震源机制反演方法,得到68组震源破裂参数,基于应变花分类体系,建立震源机制类型与区域应力场的映射关系,发现尽管震源机制类型多样,但逆冲类事件占比超过半数,表明此次地震序列是以逆冲破裂为主。随后,系统整合本次地震与历史震源机制解,并通过网格搜索法和遗传算法进行应力张量反演,结果显示研究区呈近SN向挤压、NEE向近垂直拉张。进一步模拟应力体系与震源机制之间的关系表明此次地震沿最优节面破裂,并为后续发震机制与地球动力学研究提供了参考。
2025, 20(4): 814-827.
doi: 10.11899/zzfy20240232
摘要:
本文基于云南省区域数字化地震监测台网地震观测报告和云南台网区域地震波形数据,结合双差定位方法、CAP方法、川滇地区高分辨率速度模型和流体扩散模型,深入分析了2023年云南保山MS5.2地震的发震断层和成因。双差重定位结果显示,云南保山MS5.2地震沿NW向呈条带状分布,震源深度主要集中在4~12 km。震源机制解反演结果表明,云南保山 MS5.2主震2个发震断层面参数为:节面Ⅰ,走向51°,倾角78°,滑动角−34°;节面Ⅱ,走向149°,倾角56.8°,滑动角−165.6°。根据流体扩散模型拟合得到水力扩散系数\begin{document}$ D $\end{document} ![]()
![]()
介于0.347~1.04 m2/s之间。根据2000—2023年地震目录,证实水库蓄水在库区周边诱发了地震活动,地震多以小群形式分布在与澜沧江河床延伸方向一致的断裂带和多组断裂交汇处。综合重定位结果、震源机制解结果及附近区域的地质构造背景,推测云南保山MS5.2地震的发震构造是一条NW149°走向的走滑型断裂,小湾电站建成蓄水后,诱发了库区周边地震活动,而云南保山MS5.2地震的发生可能是长期受库水渗透而处于饱水状态的地壳卸荷触发的一次构造型水库地震。
本文基于云南省区域数字化地震监测台网地震观测报告和云南台网区域地震波形数据,结合双差定位方法、CAP方法、川滇地区高分辨率速度模型和流体扩散模型,深入分析了2023年云南保山MS5.2地震的发震断层和成因。双差重定位结果显示,云南保山MS5.2地震沿NW向呈条带状分布,震源深度主要集中在4~12 km。震源机制解反演结果表明,云南保山 MS5.2主震2个发震断层面参数为:节面Ⅰ,走向51°,倾角78°,滑动角−34°;节面Ⅱ,走向149°,倾角56.8°,滑动角−165.6°。根据流体扩散模型拟合得到水力扩散系数
2025, 20(4): 828-839.
doi: 10.11899/zzfy20240178
摘要:
地震地表变形会对基础设施造成巨大破坏,如何减轻其造成的破坏,成为设计人员关注的重点。本文在整理我国自1900年以来有同震地表破裂的地震案例基础上,将数据分为逆断层型、正断层型与走滑断层型3类,分别进行最小二乘法分析,得到不同断裂类型的震级与地震破裂参数及其位移量之间的关系,同时针对我国西部地区震级与地震破裂参数的回归关系式进行了讨论;并对搜集到的我国21例震后地表形变监测数据进行讨论。结果显示,同震阶段的拟合公式相关系数较大,标准偏差较小,所得经验关系更接近中国地质实际情况;震后2年内近场形变量大多位于5~7 cm、震后10 年内近场地表形变量大多位于8~10 cm;说明可以定量及半定量的分析同震、震后破裂参数,为地震易发区穿越潜在活动断层的基础设施设计以及安全性评价提供参考依据。
地震地表变形会对基础设施造成巨大破坏,如何减轻其造成的破坏,成为设计人员关注的重点。本文在整理我国自1900年以来有同震地表破裂的地震案例基础上,将数据分为逆断层型、正断层型与走滑断层型3类,分别进行最小二乘法分析,得到不同断裂类型的震级与地震破裂参数及其位移量之间的关系,同时针对我国西部地区震级与地震破裂参数的回归关系式进行了讨论;并对搜集到的我国21例震后地表形变监测数据进行讨论。结果显示,同震阶段的拟合公式相关系数较大,标准偏差较小,所得经验关系更接近中国地质实际情况;震后2年内近场形变量大多位于5~7 cm、震后10 年内近场地表形变量大多位于8~10 cm;说明可以定量及半定量的分析同震、震后破裂参数,为地震易发区穿越潜在活动断层的基础设施设计以及安全性评价提供参考依据。
2025, 20(4): 840-849.
doi: 10.11899/zzfy20240184
摘要:
杭州湾衢山岛屿位于中国大陆华北、华南活动地块和华北、华南地应力分区的边界地带,该区域的地应力研究工作对于理解该区域地壳应力状态和地壳动力学行为意义重大。研究区小衢山岛大地构造位于华南地槽褶皱系的浙东南褶皱带东北部,距上海芦潮港30海里。基于小衢山岛上3个钻孔的水压致裂原地应力测试数据综合分析,研究区最大水平主应力方向范围为N56.9°W~ N76.9°W,说明该区域主要受太平洋板块和菲律宾海板块向北西西、北西向俯冲推挤力源的影响。最大、最小水平主应力量值基本随深度增加而增大,最大水平主应力量值一般为7.39~15.74 MPa,最小水平主应力量值一般为3.99~8.41 MPa,最大、最小侧压力系数范围分别为2.11≤kH≤7.56,1.23≤kh≤3.85。利用实测数据计算的剪应力积累因子μ的范围是0.36~0.77,平均值为0.55,剪应力积累程度较高。研究结果为认识中国大陆东部华北、华南活动地块的分界分区问题提供了新的地应力证据。
杭州湾衢山岛屿位于中国大陆华北、华南活动地块和华北、华南地应力分区的边界地带,该区域的地应力研究工作对于理解该区域地壳应力状态和地壳动力学行为意义重大。研究区小衢山岛大地构造位于华南地槽褶皱系的浙东南褶皱带东北部,距上海芦潮港30海里。基于小衢山岛上3个钻孔的水压致裂原地应力测试数据综合分析,研究区最大水平主应力方向范围为N56.9°W~ N76.9°W,说明该区域主要受太平洋板块和菲律宾海板块向北西西、北西向俯冲推挤力源的影响。最大、最小水平主应力量值基本随深度增加而增大,最大水平主应力量值一般为7.39~15.74 MPa,最小水平主应力量值一般为3.99~8.41 MPa,最大、最小侧压力系数范围分别为2.11≤kH≤7.56,1.23≤kh≤3.85。利用实测数据计算的剪应力积累因子μ的范围是0.36~0.77,平均值为0.55,剪应力积累程度较高。研究结果为认识中国大陆东部华北、华南活动地块的分界分区问题提供了新的地应力证据。
2025, 20(4): 850-861.
doi: 10.11899/zzfy20240510
摘要:
以穿越逆断层的新藏公路高寒地区的某片块石路基段为研究对象,通过物理试验和数值模拟,分析了逆断层断错作用下片块石路基的变形与受力特征。物理试验模型按1∶15的比例缩尺建立,试验结果显示:上盘整体抬升,其破坏程度高于下盘,但下盘受断错影响的范围较大。距离断错迹线越近,路基破坏越严重,反之则越轻,最大变形出现在断层迹线处。从破坏形态来看,片块石路基破坏的形式主要有路面隆起、裂缝、水稳层与片块石层脱空、张拉断裂等。数值模拟结果显示:上盘整体抬升,最大变形同样出现在断层迹线处,且断层迹线附近变形急剧变化,距离迹线越远,相对变形逐渐减小。上盘水稳层在远离迹线处受压,靠近迹线处受拉;下盘水稳层在靠近迹线处受拉,远离迹线处受压,下盘端部受压达到最大值;片块石层与砂砾层土的压力基本表现为受压,且压力在迹线处减小。数值模拟中的片块石路基变形和受力特征与试验结果较为吻合,研究结果表明,片块石路基具有较好的抗断效果,这些结论可为跨活动断层片块石路基设计提供科学依据。
以穿越逆断层的新藏公路高寒地区的某片块石路基段为研究对象,通过物理试验和数值模拟,分析了逆断层断错作用下片块石路基的变形与受力特征。物理试验模型按1∶15的比例缩尺建立,试验结果显示:上盘整体抬升,其破坏程度高于下盘,但下盘受断错影响的范围较大。距离断错迹线越近,路基破坏越严重,反之则越轻,最大变形出现在断层迹线处。从破坏形态来看,片块石路基破坏的形式主要有路面隆起、裂缝、水稳层与片块石层脱空、张拉断裂等。数值模拟结果显示:上盘整体抬升,最大变形同样出现在断层迹线处,且断层迹线附近变形急剧变化,距离迹线越远,相对变形逐渐减小。上盘水稳层在远离迹线处受压,靠近迹线处受拉;下盘水稳层在靠近迹线处受拉,远离迹线处受压,下盘端部受压达到最大值;片块石层与砂砾层土的压力基本表现为受压,且压力在迹线处减小。数值模拟中的片块石路基变形和受力特征与试验结果较为吻合,研究结果表明,片块石路基具有较好的抗断效果,这些结论可为跨活动断层片块石路基设计提供科学依据。
2025, 20(4): 862-869.
doi: 10.11899/zzfy20240230
摘要:
基于饱和两相介质波动的土力学模型,借助均匀孔隙流体的概念,推导了准饱和土中弹性波波速和衰减系数的理论解析表达式。通过数值计算,系统分析了含气量对4类不同典型准饱和土中压缩波传播特性的影响,全面讨论了不同含气量的准饱和土中压缩波的频散和衰减特性,并与气饱和土、水饱和土的计算结果进行比较。结果表明,不同准饱和土中压缩波速度和衰减随含气量变化的形状相同,但幅值不同;随着含气量增加,P1波波速减小,在气饱和土中达到最小,且频散现象愈加不明显,原因在于气-固耦合作用显著低于水-固耦合作用;但高频时,P2波速在气饱和土中取到最大值。总之,含气量对压缩波传播特性的影响非常显著,且结论对认识地震波传播特性及工程结构抗震设防有重要的理论和实践意义。
基于饱和两相介质波动的土力学模型,借助均匀孔隙流体的概念,推导了准饱和土中弹性波波速和衰减系数的理论解析表达式。通过数值计算,系统分析了含气量对4类不同典型准饱和土中压缩波传播特性的影响,全面讨论了不同含气量的准饱和土中压缩波的频散和衰减特性,并与气饱和土、水饱和土的计算结果进行比较。结果表明,不同准饱和土中压缩波速度和衰减随含气量变化的形状相同,但幅值不同;随着含气量增加,P1波波速减小,在气饱和土中达到最小,且频散现象愈加不明显,原因在于气-固耦合作用显著低于水-固耦合作用;但高频时,P2波速在气饱和土中取到最大值。总之,含气量对压缩波传播特性的影响非常显著,且结论对认识地震波传播特性及工程结构抗震设防有重要的理论和实践意义。
2025, 20(4): 870-886.
doi: 10.11899/zzfy20240241
摘要:
四川省地质构造环境复杂,地震频发,诱发了大量地震滑坡灾害,对区域建设和人民生命财产安全造成巨大影响。本文使用基于减法聚类的自适应神经网络模糊推理系统(SCM-ANFIS),评价了四川省内不同地震动作用水平下的地震滑坡危险性并生成分区图。首先,以汶川、芦山、九寨沟、泸定4次地震滑坡事件为代表生成了地震滑坡编目。在此基础上,基于可靠优化策略构建了样本采集区,并以概率采样的思想生成了符合“真实概率”的滑坡和非滑坡样本。选择海拔、坡度、坡向、平面曲率、剖面曲率、到河流的距离、到断层线的距离、降水量、土壤类型、地层岩性、峰值加速度和到历史震中的距离12个滑坡影响因子构建了SCM-ANFIS评价模型。其次,采用概率地震危险性分析方法,计算了四川地区在设防地震水平(50年超越概率10%)和罕遇地震水平(50年超越概率2%)下的地震动峰值加速度(PGA)分布,并结合评价模型给出了多概率地震动作用下的地震滑坡危险性评价结果,生成了有关人类活动的简化风险分区图。然后,根据生成的分区图对四川省内的地震滑坡危险性进一步分析评判,并分析了地震滑坡危害对人类自然活动的影响。最后,文章讨论了不同采样策略下危险性模型的性能表现和实际制图效果,进一步分析了4次地震滑坡事件对人类活动造成的影响,并讨论了研究的应用场景和局限性。
四川省地质构造环境复杂,地震频发,诱发了大量地震滑坡灾害,对区域建设和人民生命财产安全造成巨大影响。本文使用基于减法聚类的自适应神经网络模糊推理系统(SCM-ANFIS),评价了四川省内不同地震动作用水平下的地震滑坡危险性并生成分区图。首先,以汶川、芦山、九寨沟、泸定4次地震滑坡事件为代表生成了地震滑坡编目。在此基础上,基于可靠优化策略构建了样本采集区,并以概率采样的思想生成了符合“真实概率”的滑坡和非滑坡样本。选择海拔、坡度、坡向、平面曲率、剖面曲率、到河流的距离、到断层线的距离、降水量、土壤类型、地层岩性、峰值加速度和到历史震中的距离12个滑坡影响因子构建了SCM-ANFIS评价模型。其次,采用概率地震危险性分析方法,计算了四川地区在设防地震水平(50年超越概率10%)和罕遇地震水平(50年超越概率2%)下的地震动峰值加速度(PGA)分布,并结合评价模型给出了多概率地震动作用下的地震滑坡危险性评价结果,生成了有关人类活动的简化风险分区图。然后,根据生成的分区图对四川省内的地震滑坡危险性进一步分析评判,并分析了地震滑坡危害对人类自然活动的影响。最后,文章讨论了不同采样策略下危险性模型的性能表现和实际制图效果,进一步分析了4次地震滑坡事件对人类活动造成的影响,并讨论了研究的应用场景和局限性。
2025, 20(4): 887-896.
doi: 10.11899/zzfy20240223
摘要:
为研究缓倾斜坡场地中桩基框架结构间结构-土-结构动力相互作用特性,使用ABAQUS软件建立系列结构-土-结构二维有限元分析模型,考虑土-结构非线性特性,在0°~15°设置6种坡度条件,对缓倾斜坡场地中的建筑开展非线性有限元数值分析。结果表明:(1)相较于相邻建筑物,斜坡坡角对结构间峰值加速度的影响更大;(2)斜坡在放大坡上结构地震动响应的同时缩小了坡下结构的地震动响应;(3)相邻建筑物对基础各单桩顶的峰值剪力响应有较大影响,而对桩顶总剪力的影响不大,在水平或缓倾斜坡场地中SSSI效应均导致了结构桩顶剪力重分布现象。本研究可为实际工程中普遍存在的斜坡场地下结构的抗震设计提供理论参考。
为研究缓倾斜坡场地中桩基框架结构间结构-土-结构动力相互作用特性,使用ABAQUS软件建立系列结构-土-结构二维有限元分析模型,考虑土-结构非线性特性,在0°~15°设置6种坡度条件,对缓倾斜坡场地中的建筑开展非线性有限元数值分析。结果表明:(1)相较于相邻建筑物,斜坡坡角对结构间峰值加速度的影响更大;(2)斜坡在放大坡上结构地震动响应的同时缩小了坡下结构的地震动响应;(3)相邻建筑物对基础各单桩顶的峰值剪力响应有较大影响,而对桩顶总剪力的影响不大,在水平或缓倾斜坡场地中SSSI效应均导致了结构桩顶剪力重分布现象。本研究可为实际工程中普遍存在的斜坡场地下结构的抗震设计提供理论参考。
2025, 20(4): 897-908.
doi: 10.11899/zzfy20240245
摘要:
土层可以显著改变地震动的幅值和频谱成分,从而改变桥梁的地震响应,忽略桩土相互作用(PSI)的影响将导致桥梁抗震性能评估失真。为更准确描述高墩桥梁在桩土作用效应下的抗震性能,基于OpenSees有限元软件将PSI考虑为非线性p-y约束与土层滤波效应的组合,建立高墩桥梁桩-土体系三维模型,以地震峰值加速度PGA为地震动强度指标,以桥墩截面曲率和支座位移为损伤指标,引入Nataf变换考虑桥梁各构件的地震响应参数相关性,并构建多维极限状态方程,选取18条地震动记录对上述桥梁体系进行水平双向增量动力非线性分析,建立高墩桥梁的地震易损性曲线并对抗震性能进行评估。研究结果表明:采用非线性p-y约束能够有效模拟桩土作用效应;在强震条件下,对桥梁损伤程度越高的状态,其评估更加精确;土层滤波后对地震波放大作用明显,从而使得桥梁结构地震响应在各损伤阶段的超越概率大幅上升;高墩横桥向损伤概率略高于纵桥向损伤概率,应优先考虑横向设计。在高墩桥梁的抗震设计阶段不能忽略土层滤波的影响,否则会提高桥梁抗震需求。
土层可以显著改变地震动的幅值和频谱成分,从而改变桥梁的地震响应,忽略桩土相互作用(PSI)的影响将导致桥梁抗震性能评估失真。为更准确描述高墩桥梁在桩土作用效应下的抗震性能,基于OpenSees有限元软件将PSI考虑为非线性p-y约束与土层滤波效应的组合,建立高墩桥梁桩-土体系三维模型,以地震峰值加速度PGA为地震动强度指标,以桥墩截面曲率和支座位移为损伤指标,引入Nataf变换考虑桥梁各构件的地震响应参数相关性,并构建多维极限状态方程,选取18条地震动记录对上述桥梁体系进行水平双向增量动力非线性分析,建立高墩桥梁的地震易损性曲线并对抗震性能进行评估。研究结果表明:采用非线性p-y约束能够有效模拟桩土作用效应;在强震条件下,对桥梁损伤程度越高的状态,其评估更加精确;土层滤波后对地震波放大作用明显,从而使得桥梁结构地震响应在各损伤阶段的超越概率大幅上升;高墩横桥向损伤概率略高于纵桥向损伤概率,应优先考虑横向设计。在高墩桥梁的抗震设计阶段不能忽略土层滤波的影响,否则会提高桥梁抗震需求。
2025, 20(4): 909-919.
doi: 10.11899/zzfy20240238
摘要:
随着工程建设技术的发展及需求的提高,大跨度多连拱隧道逐渐增多,其抗震性能值得关注。本文以某多连拱隧道为依托,建立二维计算模型,采用等价线性化模型Davidenkov模型考虑土体非线性特性,探讨该类结构地震响应规律。首先将拱形隧道地震响应与等截面矩形隧道的地震响应相比较,分析截面形式对结构地震响应的影响。其次,探讨跨数、奇偶性对浅埋多连拱地下结构地震响应的影响。结果表明:(1)矩形较拱形结构产生更大残余变形;(2)结构的响应随跨数增加而增加,且增加的幅度高达30%;(3)奇、偶数拱结构的动力响应差异不明显。研究成果可为多连拱、大跨度浅埋隧道的抗震设计提供参考。
随着工程建设技术的发展及需求的提高,大跨度多连拱隧道逐渐增多,其抗震性能值得关注。本文以某多连拱隧道为依托,建立二维计算模型,采用等价线性化模型Davidenkov模型考虑土体非线性特性,探讨该类结构地震响应规律。首先将拱形隧道地震响应与等截面矩形隧道的地震响应相比较,分析截面形式对结构地震响应的影响。其次,探讨跨数、奇偶性对浅埋多连拱地下结构地震响应的影响。结果表明:(1)矩形较拱形结构产生更大残余变形;(2)结构的响应随跨数增加而增加,且增加的幅度高达30%;(3)奇、偶数拱结构的动力响应差异不明显。研究成果可为多连拱、大跨度浅埋隧道的抗震设计提供参考。
2025, 20(4): 920-932.
doi: 10.11899/zzfy20240231
摘要:
交通振动对古建筑的结构健康和长期稳定性构成了潜在威胁,尤其在现代城市环境中,交通荷载频繁且多样化,因此引入了一种结合时域分析的频率切片小波变换(Frequency Slice Wavelet Transform, FSWT)分析法,系统的研究交通振动对古建筑的影响。首先,对清远楼进行了现场振动测试,采用时域分析对交通振动信号进行初步处理,获取振动响应的基本特性;通过FSWT分析法对信号进行详细的时频分析,揭示振动信号的频率特性及其随时间变化的规律,分解出各个频率成分在不同时间段的能量分布;最后,建立有限元模型,进一步验证其方法的可靠性。研究结果显示:以时频能量为参考值更能反映出振动信号的实际变化规律及结构最易受影响的位置,即交通振动在古建筑中的传播具有明显的层次特征,0~10 Hz频段的振动能量随着高度增加而逐渐增大,在10~20 Hz频段,振动能量主要集中在台基结构,且随着频率的升高,能量逐渐集中于台基底部。此外,分析结果还揭示了木结构与台基在动态响应中的差异,为交通振动对古建筑的影响分析及易损部位的识别提供了科学依据。
交通振动对古建筑的结构健康和长期稳定性构成了潜在威胁,尤其在现代城市环境中,交通荷载频繁且多样化,因此引入了一种结合时域分析的频率切片小波变换(Frequency Slice Wavelet Transform, FSWT)分析法,系统的研究交通振动对古建筑的影响。首先,对清远楼进行了现场振动测试,采用时域分析对交通振动信号进行初步处理,获取振动响应的基本特性;通过FSWT分析法对信号进行详细的时频分析,揭示振动信号的频率特性及其随时间变化的规律,分解出各个频率成分在不同时间段的能量分布;最后,建立有限元模型,进一步验证其方法的可靠性。研究结果显示:以时频能量为参考值更能反映出振动信号的实际变化规律及结构最易受影响的位置,即交通振动在古建筑中的传播具有明显的层次特征,0~10 Hz频段的振动能量随着高度增加而逐渐增大,在10~20 Hz频段,振动能量主要集中在台基结构,且随着频率的升高,能量逐渐集中于台基底部。此外,分析结果还揭示了木结构与台基在动态响应中的差异,为交通振动对古建筑的影响分析及易损部位的识别提供了科学依据。
2025, 20(4): 933-942.
doi: 10.11899/zzfy20250006
摘要:
我国先进燃料组件的自主研发将有助于提升核电厂的经济性和安全性。在新型燃料组件入堆形成混合堆芯时,需要开展燃料组件相容性、中子学特性及抗震性能等方面的安全评价。针对新型燃料组件入堆换料方案中出现的混合堆芯条件,结合自主化新型燃料组件设计改进特点,开展堆芯燃料组件抗震分析,研究不同设计改进和不同装载方案对燃料组件抗震性能的影响。结果表明:均质堆芯条件下,随着单排组件数量的增多,组件格架的最大碰撞力和最大位移逐渐增大,选择单排15个组件开展抗震分析具有一定的保守性。混合堆芯条件下,格架刚度参数变化对入堆第1和第2循环格架最大位移影响较大,导向管壁厚增加和格架刚度减小等参数改进会引起第1循环边缘对称AA组件装载方案格架最大碰撞力的大幅增长,可能超过单排15个组件成为整个堆芯组件格架的最大碰撞力,需要在混合堆芯燃料组件安全评价中重点关注。
我国先进燃料组件的自主研发将有助于提升核电厂的经济性和安全性。在新型燃料组件入堆形成混合堆芯时,需要开展燃料组件相容性、中子学特性及抗震性能等方面的安全评价。针对新型燃料组件入堆换料方案中出现的混合堆芯条件,结合自主化新型燃料组件设计改进特点,开展堆芯燃料组件抗震分析,研究不同设计改进和不同装载方案对燃料组件抗震性能的影响。结果表明:均质堆芯条件下,随着单排组件数量的增多,组件格架的最大碰撞力和最大位移逐渐增大,选择单排15个组件开展抗震分析具有一定的保守性。混合堆芯条件下,格架刚度参数变化对入堆第1和第2循环格架最大位移影响较大,导向管壁厚增加和格架刚度减小等参数改进会引起第1循环边缘对称AA组件装载方案格架最大碰撞力的大幅增长,可能超过单排15个组件成为整个堆芯组件格架的最大碰撞力,需要在混合堆芯燃料组件安全评价中重点关注。
Email alert
RSS
摘要
HTML全文
PDF 4442KB