• ISSN 1673-5722
  • CN 11-5429/P

基于OpenSees的饱和土场地中地下结构地震反应研究

刘曦 李亮 李果

刘曦,李亮,李果,2024. 基于OpenSees的饱和土场地中地下结构地震反应研究. 震灾防御技术,19(3):548−557. doi:10.11899/zzfy20240313. doi: 10.11899/zzfy20240313
引用本文: 刘曦,李亮,李果,2024. 基于OpenSees的饱和土场地中地下结构地震反应研究. 震灾防御技术,19(3):548−557. doi:10.11899/zzfy20240313. doi: 10.11899/zzfy20240313
Liu Xi, Li liang, Li guo. Study on Seismic Response of Underground Structure in Saturated Soil Deposit Based on OpenSees[J]. Technology for Earthquake Disaster Prevention, 2024, 19(3): 548-557. doi: 10.11899/zzfy20240313
Citation: Liu Xi, Li liang, Li guo. Study on Seismic Response of Underground Structure in Saturated Soil Deposit Based on OpenSees[J]. Technology for Earthquake Disaster Prevention, 2024, 19(3): 548-557. doi: 10.11899/zzfy20240313

基于OpenSees的饱和土场地中地下结构地震反应研究

doi: 10.11899/zzfy20240313
详细信息
    作者简介:

    刘曦,女,生于1998年。硕士研究生。主要从事土动力学方面的研究。E-mail:1556652151@qq.com

    通讯作者:

    李亮,男,生于1975年。教授,博士生导师。主要从事土动力学方面的研究。E-mail:liliang@bjut.edu.cn

Study on Seismic Response of Underground Structure in Saturated Soil Deposit Based on OpenSees

  • 摘要: 应用OpenSees有限元计算程序,选取某地铁车站结构为主要分析对象,构建了饱和土-地下结构体系地震反应运算模型,并利用该模型进行系统的地震反应计算。将现场饱和土动力反应视为饱和两相介质近场波动问题,选取时域显式数值算法进行计算,同时考虑了土体的弹塑性。研究结果显示:(1)因选取弹塑性土体本构,土体-地下结构的位移反应时程和输入地震动的位移时程体现出了显著性差异。(2)对于两层三跨地下结构,在以剪切波形式输入的地震动作用下,顶板的峰值加速度和侧向位移最大,中板次之,底板最小,场地土体对地震波具有放大效应,顶层的层间位移大于底层。(3)在地震动作用下,地下结构不同区域应力时程的改变规律存在非常显著的差异。中柱底部与底板节点处的应力峰值最大。地震动输入结束时,结构存在残余应力。
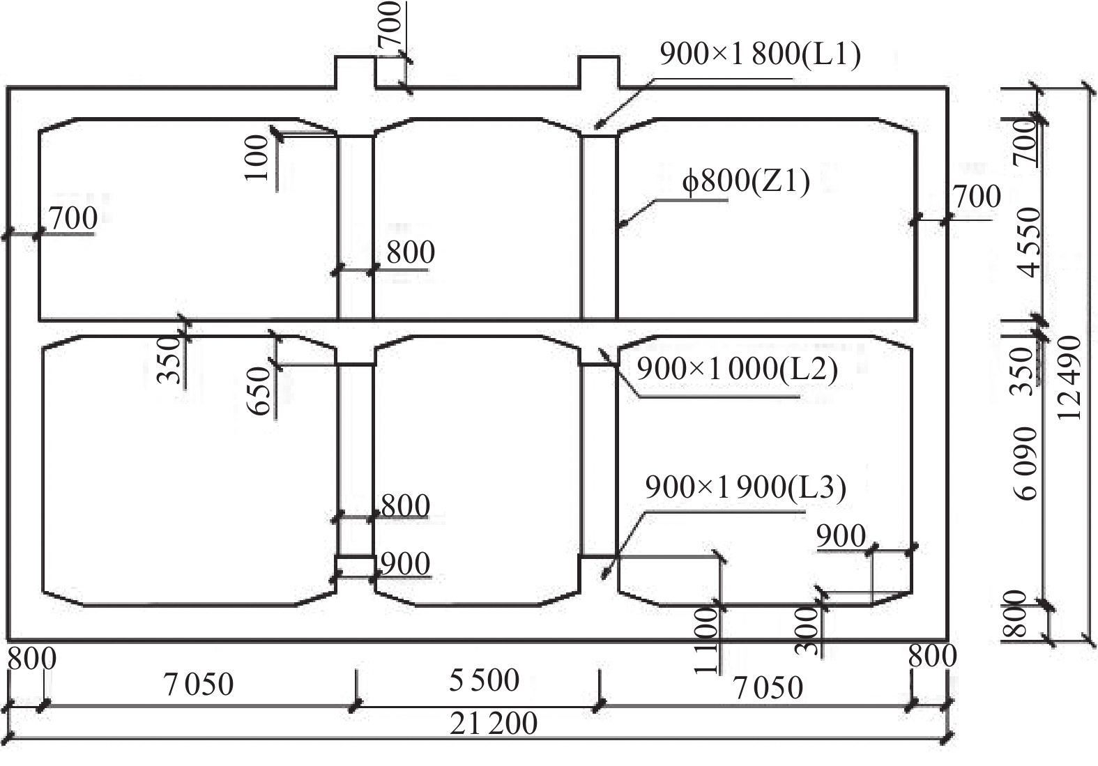
  • 图  1  地铁车站结构横截面(单位:毫米)

    Figure  1.  Cross section of subway station structure(Unit:mm)

    图  2  场地土层分层图

    Figure  2.  Stratified diagram of soil deposits

    图  3  饱和土-地下结构体系地震反应有限元计算模型

    Figure  3.  Finite element model for seismic response of saturated soil deposits-underground structure system

    图  4  地下结构计算单元

    Figure  4.  Calculating elements of underground structure

    图  5  PIMY模型的屈服面

    Figure  5.  Yield surfaces of PIMY constitutive model

    图  6  Kobe地震记录位移时程

    Figure  6.  Displacement time history of Kobe earthquake record

    图  7  Kobe地震记录加速度时程

    Figure  7.  Adjusted acceleration time history of Kobe earthquake record

    图  8  不同时刻饱和土场地加速度云图

    Figure  8.  Acceleration nephogram of saturated soil deposits at different times

    图  9  不同时刻饱和土场地水平位移云图

    Figure  9.  Horizontal displacement nephogram of saturated soil deposits at different times

    图  10  不同时刻饱和土场地竖向位移云图

    Figure  10.  Vertical displacement nephogram of saturated soil deposits at different times

    图  11  观测点A水平位移时程

    Figure  11.  Horizontal displacement time history of node A

    图  12  观测点B水平位移时程

    Figure  12.  Horizontal displacement time history of node B

    图  13  观测点A孔压时程

    Figure  13.  Pore pressure time history of node A

    图  14  观测点B孔压时程

    Figure  14.  Pore pressure time history of node B

    图  15  地下结构顶板加速度时程

    Figure  15.  Acceleration time history of top slab of underground structure

    图  16  地下结构中板加速度时程

    Figure  16.  Acceleration time history of middle slab of underground structure

    图  17  地下结构底板加速度时程

    Figure  17.  Acceleration time history of bottom slab of underground structure

    图  18  地下结构顶板位移时程

    Figure  18.  Displacement time history of top slab of underground structure

    图  19  地下结构中板位移时程

    Figure  19.  Displacement time history of middle slab of underground structure

    图  20  地下结构底板位移时程

    Figure  20.  Displacement time history of bottom slab of underground structure

    图  21  单元A应力时程

    Figure  21.  Stress time history element A

    图  22  单元B应力时程

    Figure  22.  Stress time history element B

    图  23  单元C应力时程

    Figure  23.  Stress time history element C

    图  24  单元D应力时程

    Figure  24.  Stress time history element D

    图  25  单元E应力时程

    Figure  25.  Stress time history element E

    图  26  单元F应力时程

    Figure  26.  Stress time history element F

    图  27  单元G应力时程

    Figure  27.  Stress time history element G

    图  28  单元H应力时程

    Figure  28.  Stress time history element H

    表  1  场地土体物理力学参数

    Table  1.   Site soil physical and mechanical parameters

    土层 重度/(kN·m−3) 内摩擦角/(°) 弹性模量/MPa 泊松比 孔隙率
    素填土 19.0 16 1.0 0.4
    细砂 19.0 30 7.5 0.3 0.474
    黏土 19.3 16 13.2 0.42
    下载: 导出CSV
  • 陈少林,朱学江,赵宇昕等,2019. 考虑土骨架非线性的饱和土-结构相互作用分析. 地震工程与工程振动,39(1):114−127.

    Chen S. L., Zhu X. J., Zhao Y. X., et al., 2019. Analysis of saturated soil-structure interaction considering soil skeleton nonlinearity. Earthquake Engineering and Engineering Dynamics, 39(1): 114−127. (in Chinese)
    程学磊,李文东,海然等,2022. 地震作用下饱和软土场地地下结构动力参数敏感性模拟分析. 广西大学学报(自然科学版),47(1):92−102.

    Cheng X. L., Li W. D., Hai R., et al., 2022. Parametric sensitivity simulation analyses of subway station structure surrounded by saturated soft soil foundation under earthquake. Journal of Guangxi University (Natural Science Edition), 47(1): 92−102. (in Chinese)
    崔智谋,2012. 基于流固耦合动力模型的饱和两相介质-地下结构动力相互作用研究. 北京:北京工业大学.

    Cui Z. M., 2012. Study of dynamic interaction between fluid-saturated porous media of fluid-soild coupling model and underground structure. Beijing:Beijing University of Technology. (in Chinese)
    丁伯阳,宋宥整,2019. 饱和土地下源u-P形式解答动力响应计算. 岩土力学,40(2):474−480.

    Ding B. Y., Song Y. Z., 2019. Dynamic response calculation for u-P solution in saturated soil subjected to an underground point source. Rock and Soil Mechanics, 40(2): 474−480. (in Chinese)
    丁海滨,管凌霄,童立红等,2023. 基于非局部Biot理论的循环荷载下饱和土地基动力特性研究. 工程力学,40(3):141−152.

    Ding H. B., Guan L. X., Tong L. H., et al., 2023. On investigating the dynamic characteristics of saturated soil foundation subjected to cyclic load based on nonlocal Biot theory. Engineering Mechanics, 40(3): 141−152. (in Chinese)
    谷音,庄舒曼,卓卫东等,2015. 考虑饱和土的地铁车站结构非线性地震反应研究. 岩土力学,36(11):3243−3251.

    Gu Y., Zhuang S. M., Zhuo W. D., et al., 2015. Analysis of nonlinear seismic response of subway station considering saturated soil. Rock and Soil Mechanics, 36(11): 3243−3251. (in Chinese)
    李立云,2007. (准)饱和土与地下结构非线性动力相互作用问题研究. 北京:北京工业大学.
    刘光磊,宋二祥,刘华北,2007. 可液化地层中地铁隧道地震响应数值模拟及其试验验证. 岩土工程学报,29(12):1815−1822. doi: 10.3321/j.issn:1000-4548.2007.12.012

    Liu G. L., Song E. X., Liu H. B., 2007. Numerical modeling of subway tunnels in liquefiable soil under earthquakes and verification by centrifuge tests. Chinese Journal of Geotechnical Engineering, 29(12): 1815−1822. (in Chinese) doi: 10.3321/j.issn:1000-4548.2007.12.012
    刘华北,宋二祥,2005. 可液化土中地铁结构的地震响应. 岩土力学,26(3):381−386,391.

    Liu H. B., Song E. X., 2005. Earthquake induced liquefaction response of subway structure in liquefiable soil. Rock and Soil Mechanics, 26(3): 381−386,391. (in Chinese)
    宋佳,2017. 饱和土场地波动数值模拟方法及其工程应用. 北京:北京工业大学.

    Song J., 2017. Wave numerical method of saturated site soil and its engineering application. Beijing:Beijing University of Technology. (in Chinese)
    王相宝,2014. 基于流固耦合两相介质动力模型的饱和土体-地下结构体系近场波动问题研究. 北京:北京工业大学.
    王子辉,2008. 饱和两相与单相土互层场地中地铁车站地震反应分析. 北京:北京交通大学.

    Wang Z. H., 2008. Seismic analysis of subway station in a site interbedded by saturated two-phase and single-phase soil. Beijing:Beijing Jiaotong University. (in Chinese)
    许民泽,崔春义,李静波等,2021. 饱和砂土场地中地铁车站结构地震易损性分析. 工程力学,38(S1):251−258.

    Xu M. Z., Cui C. Y., Li J. B., et al., 2021. Seismic vulnerability analysis of subway station embedded in saturated sand layers. Engineering Mechanics, 38(S1): 251−258. (in Chinese)
    杨军,宋二祥,陈肇元,2003. 饱和土一维简谐响应解析解的求解和应用:Ⅱ应用. 岩土力学,24(5):710−714. doi: 10.3969/j.issn.1000-7598.2003.05.008

    Yang J., Song E. X., Chen Z. Y., 2003. Application of analytical solution of 1-D harmonic response in saturated soil. Rock and Soil Mechanics, 24(5): 710−714. (in Chinese) doi: 10.3969/j.issn.1000-7598.2003.05.008
    禹海涛,王治坤,刘中宪,2022. SV波入射下均匀饱和地层渗透系数对深埋隧道的影响机制. 岩土工程学报,44(2):201−211.

    Yu H. T., Wang Z. K., Liu Z. X., 2022. Influence mechanism of permeability coefficient in homogeneously saturated strata on responses of deep tunnels under incidence of SV waves. Chinese Journal of Geotechnical Engineering, 44(2): 201−211. (in Chinese)
    袁宗浩,蔡袁强,曾晨,2015. 地铁列车荷载作用下轨道系统及饱和土体动力响应分析. 岩石力学与工程学报,34(7):1470−1479.

    Yuan Z. H., Cai Y. Q., Zeng C., 2015. Dynamic response of track system and underground railway tunnel in saturated soil subjected to moving train loads. Chinese Journal of Rock Mechanics and Engineering, 34(7): 1470−1479. (in Chinese)
    周巧芳,2008. 饱和土中地铁车站的地震响应分析. 北京:北京交通大学.
    Biot M. A., 1956. Theory of propagation of elastic waves in a fluid-saturated porous solid. I. Low‐frequency range. The Journal of the Acoustical Society of America, 28(2): 168−178. doi: 10.1121/1.1908239
    Li L., Jiao H. Y., Du X. L., et al., 2020. Fully fluid-solid coupling dynamic model for seismic response of underground structures in saturated soils. Earthquake Engineering and Engineering Vibration, 19(2): 257−268. doi: 10.1007/s11803-020-0560-3
    Yang Z. H. , Lu J. C. , Elgamal A. , 2008. OpenSees soil models and solid-fluid fully coupled elements user’s manual. San Diego: University of California.
    Zhu J., Li X. J., Liang J. W., 2020. 3D seismic responses of a long lined tunnel in layered poro-viscoelastic half-space by a hybrid FE-BE method. Engineering Analysis with Boundary Elements, 114: 94−113. doi: 10.1016/j.enganabound.2020.02.007
    Zienkiewicz O. C., 1982. Basic formulation of static and dynamic behaviours of soil and other porous media. Applied Mathematics and Mechanics, 3(4): 457−468. doi: 10.1007/BF01908222
  • 加载中
图(28) / 表(1)
计量
  • 文章访问数:  353
  • HTML全文浏览量:  52
  • PDF下载量:  29
  • 被引次数: 0
出版历程
  • 收稿日期:  2023-03-28
  • 网络出版日期:  2024-10-15
  • 刊出日期:  2024-09-01

目录

    /

    返回文章
    返回